EasyManua.ls Logo

Dell XPS 730 - Master Control Board

Dell XPS 730
67 pages
Print Icon
To Next Page IconTo Next Page
To Next Page IconTo Next Page
To Previous Page IconTo Previous Page
To Previous Page IconTo Previous Page
Loading...
Technical Overview: Dell XPS 730/730X Service Manual
file:///C|/Users/santhosh_v/Desktop/7/SM_en/technica.htm[9/5/2013 11:46:25 AM]
Dell XPS 730X
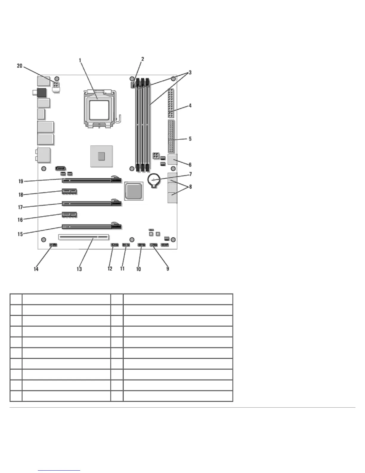
1 CPU socket 2 system board CPU fan header
3 DIMMs 1, 3, and 5 4 ATX power connector (ATX_PWR)
5 IDE connector (IDE) 6 SATA port 4 (SATA 4)
7 battery socket 8 SATA ports 1-3 (SATA 1-3)
9 internal USB header 1 (USB) 10 internal USB header 2 (USB)
11 internal USB header 3 (USB) 12 1394 header
13 PCI slot 1 (PCI SLOT 1) 14 front panel audio header (FP Audio)
15 PCIe slot 5 (PCI_E5) 16 PCIe slot 4 (PCI_E4)
17 PCIe slot 3 (PCI_E3) 18 PCIe slot 2 (PCI_E2)
19 PCIe slot 1 (PCI_E1) 20 CPU power header
Master Control Board

Table of Contents

Other manuals for Dell XPS 730

Related product manuals