EasyManua.ls Logo

DeLonghi DE608M - Electric Diagram

DeLonghi DE608M
40 pages
Print Icon
To Next Page IconTo Next Page
To Next Page IconTo Next Page
To Previous Page IconTo Previous Page
To Previous Page IconTo Previous Page
Loading...
12
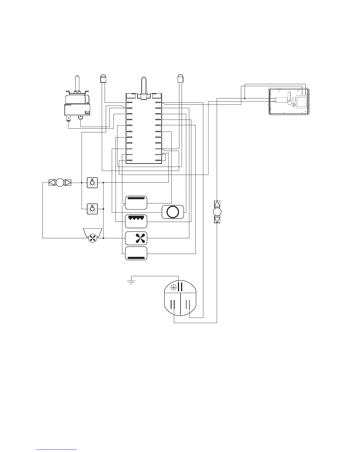
ELECTRIC DIAGRAM
Figure 8
S1S2
F1
PR
1
6
1a
6a
4
9
4a
9a
3
8
3a
8a
2
7
2a
7a
5
10
11
5a
10a
11a
C
G
S
V
CIR
TM
CF
LF
LF1
TL
T
NL
M
TL1
N/7
L/8
1
1a

Related product manuals