EasyManua.ls Logo

Delta UV D-80 - Inlet;Outlet Unions

Default Icon
20 pages
Print Icon
To Next Page IconTo Next Page
To Next Page IconTo Next Page
To Previous Page IconTo Previous Page
To Previous Page IconTo Previous Page
Loading...
© 2015 Delta Ultraviolet Corporation All Rights Reserved Rev 01/16 P/N 94-35234 Page 10
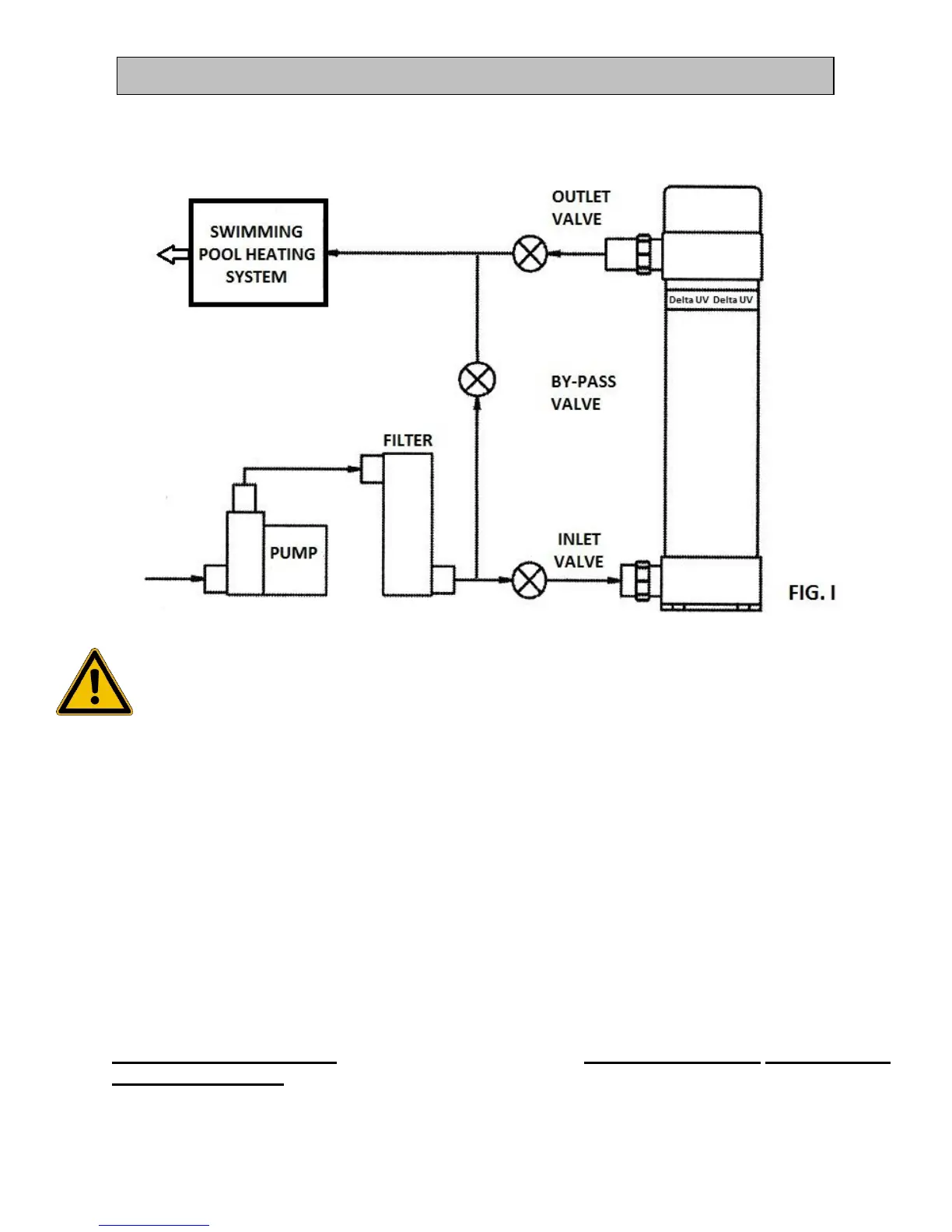
INLET / OUTLET UNIONS
Your Delta UV unit will need to be plumbed into your pond or swimming pool circulation system
We recommend the installation of a by-pass valve.
The inlet for the water is at the bottom of the Delta UV unit: The SOLID COLOR union tail piece is
used on the BOTTOM union.
The outlet for the water is at the top: The CLEAR union tail piece is used on the TOP union
Installing Inlet/Outlet Unions - The DELTA UV unit comes with union nuts installed on the housing.
Packed with your DELTA UV unit are the remaining components necessary to complete the
Inlet/Outlet unions. The clear union tail piece is used on the top union, and the solid color union tail
piece is used on the bottom union.
Also packed with your DELTA UV: unit are two white gaskets that are used to complete the
Inlet/Outlet unions. One side of the gasket is flat, the other side has a half round bead on the face.
The two unions each have a groove in the face of the union tail piece and that groove accepts the
half round bead of the gasket to hold the gasket in place correctly. Place the gaskets into the face
of the union tail pieces. Now, install the union tail pieces by screwing them into the union nuts on
the DELTA UV unit.
DO NOT OVERTIGHTEN. Hand tightening is sufficient. OVERTIGHTENING WILL BREAK
THE UNION NUTS. Replacement split nut available from Delta UV only (Part # 86-02338)

Related product manuals