EasyManua.ls Logo

Delta AS218RX-A

Delta AS218RX-A
662 pages
To Next Page IconTo Next Page
To Next Page IconTo Next Page
To Previous Page IconTo Previous Page
To Previous Page IconTo Previous Page
Loading...
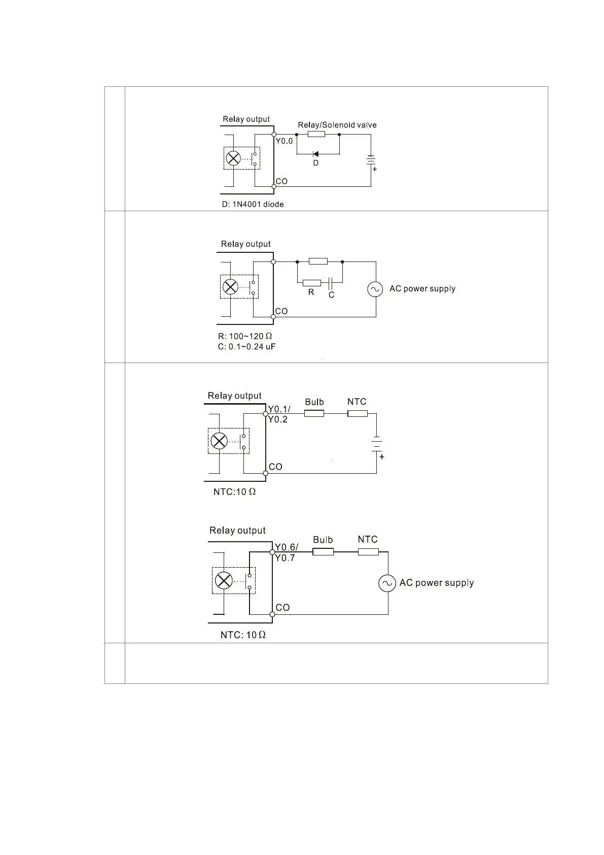
A relay or a solenoid valve is used as a DC load. A diode is connected in parallel to absorb the surge
voltage that occurs when the load is OFF.
VDC powersupply
An electromagnetic contactor is used as an AC load. A resistor and a capacitor are connected in
parallel to absorb the surge voltage that occurs when the load is OFF.
Electromagnetic contactor
Y0.7
A bulb (incandescent lamp) is used as a DC load. A thermistor is connected in series to absorb the
surge current that occurs when the load is ON.
V DC power supply
A bulb (neon lamp) is used as an AC load. A thermistor is connected in series to absorb the surge
current that occurs when the load is ON.
8
Mutually exclusive output: For example, Y0.3 controls the clockwise rotation of the motor, and Y0.4
controls the counterclockwise rotation of the motor. This interlock circuit and the program in the PLC
ensure that there are protective measures if an abnormal condition occurs.
Send Quote Requests to info@automatedpt.com
Call +1(800)985-6929 To Order or Order Online At Deltaacdrives.com
Send Quote Requests to info@automatedpt.com
Call +1(800)985-6929 To Order or Order Online At Deltaacdrives.com

Table of Contents

Related product manuals