EasyManua.ls Logo

Delta DVP-SV - Page 7

Delta DVP-SV
19 pages
Print Icon
To Next Page IconTo Next Page
To Next Page IconTo Next Page
To Previous Page IconTo Previous Page
To Previous Page IconTo Previous Page
Loading...
- 6 -
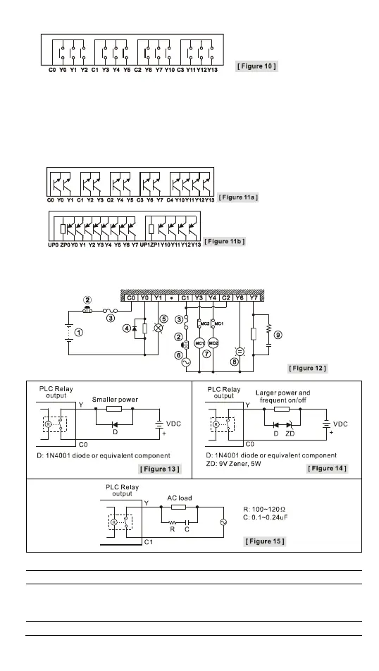
use C3 common port. See [Figure 10].
When the output points are enabled, their corresponding indicators on the front
panel will be on.
3. The output terminals Y0 and Y1 of the transistor (NPN) model are connected to the
common terminals C0. Y2 and Y3 are connected to the common terminal C1. Y4 and
Y5 are connected to the common terminal C2. Y6 and Y7 are connected to the
common terminal C3. Y10, Y11, Y12, and Y13 are connected to the common
terminal C4. See [Figure 11a]. The output terminals Y0~Y7 on the transistor (PNP)
model are connected to the common terminals UP0 and ZP0. Y10~Y13 are
connected to the common terminals UP1 and ZP1. See [Figure 11b].
4. Isolation circuit: The optical coupler is used to isolate signals between the circuit
inside PLC and input modules.
Relay (R) output circuit wiring
1
DC power supply
2
Emergency stop: Uses external switch
3
Fuse: Uses 5~10A fuse at the shared terminal of output contacts to protect the output circuit
4
Transient voltage suppressor (SB360 3A 60V): Extends the life span of contact.
1. Diode suppression of DC load: Used when in smaller power [Figure 13]
2. Diode + Zener suppression of DC load: Used when in larger power and frequent On/Off
[Figure 14]
5
Incandescent light (resistive load)
6
AC power supply

Related product manuals