EasyManua.ls Logo

Delta DVP04PT-E2 - Page 9

Delta DVP04PT-E2
20 pages
Print Icon
To Next Page IconTo Next Page
To Next Page IconTo Next Page
To Previous Page IconTo Previous Page
To Previous Page IconTo Previous Page
Loading...
- 8 -
……………………………………………………………… 繁體中文 …………………………………………………………………………
感謝您採用台達 DVP 系列產品DVP04/06PT-E2 溫度量測模組接受外部 4/6 點熱電阻溫
度感測器將其轉換成 16 位元的數位信號使用者可選擇攝氏溫度(°C)或華氏(°F)溫度,
攝氏溫度輸入解析度為 0.1°C,華氏溫度輸入解析度為 0.18°F。並可透過主機以 FROM /
TO 指令來讀寫模組內資料,或者以 MOV 指令直接讀取對應通道平均值(請參閱 D9900 ~
D9999 特殊暫存器使用說明)
本安裝說明書提供給使用者電氣規格、功能規格、安裝配線之相關注意事項。其他詳
細之程式設計及指令說明請見 DVP-ES2 操作手冊【程式篇,選購之周邊裝置詳細說
明請見該產品隨機安裝說明書。
本機為開放型 (OPEN TYPE) 機殼,因此使用者使用本機時,必須將之安裝於具防
塵、防潮及免於電擊衝擊意外之外殼配線箱內。另必須具備保護措施(如:特殊之工
具或鑰匙才可打開)防止非維護人員操作或意外衝擊本體,造成危險及損壞。
交流輸入電源不可連接於輸入出信號端,否則可能造成嚴重損壞,請在上電之前再次
確認電源配線請勿在上電時觸摸任何端子本體上之接地端子
務必正確的接地,
可提高產品抗雜訊能力。
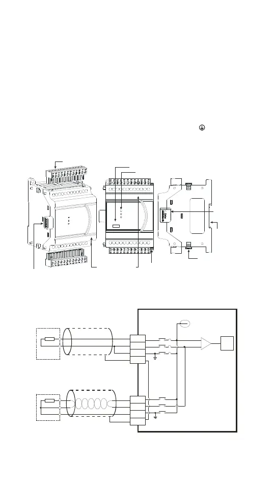
產品外觀尺寸與部位介紹
機種型號
電源、 及錯誤A->D 指示燈
輸出/入端子編號
脫落式輸出/入端子
直接固定孔
DIN (35mm)軌槽
I/O 模組連接埠
I/O 模組固定扣
I/O 模組連接埠
04PT-E2
4AI- PT
詳細尺寸圖請參閱英文版之 Figure2,單位:mm
外部配線
Ni100Pt100,JPt100,
Cu50, C u100/
Ni 10 00, P t1 0 00 ,
LG-Ni1000 *3
,
AG
隔離線*1
ADC
AG
INA
隔離線*1
CH1
2-Wire
CH4
3-Wire
O1+
I1+
I1-
0~300
Ni100/Ni1000/Pt100/Pt1000
Cu50/Cu100/JPt100/LG -Ni1000
Ω , 0~3000Ω
0~300
Ni100/Ni1000/Pt100/Pt1000
Cu50/Cu100/JPt100/LG-Ni1000
Ω, 0~3000Ω
FE
O4+
I4+
I4-
FE
*1使用於類比輸入的配線應採用 Ni100/Ni1000Pt100/Pt1000Cu50/Cu100JPt100
LG-Ni1000 或其它本文定義的溫度感測器之連接線或雙絞隔離線且應與其他電源線或
可能引起雜訊之接線分開請使用 3 線式溫度感測器若欲使用 2 線式溫度感測器時
請將 In+In-短接(n=1~6

Related product manuals