EasyManua.ls Logo

Delta Performance PG-25 - Page 51

Delta Performance PG-25
80 pages
Print Icon
To Next Page IconTo Next Page
To Next Page IconTo Next Page
To Previous Page IconTo Previous Page
To Previous Page IconTo Previous Page
Loading...
44
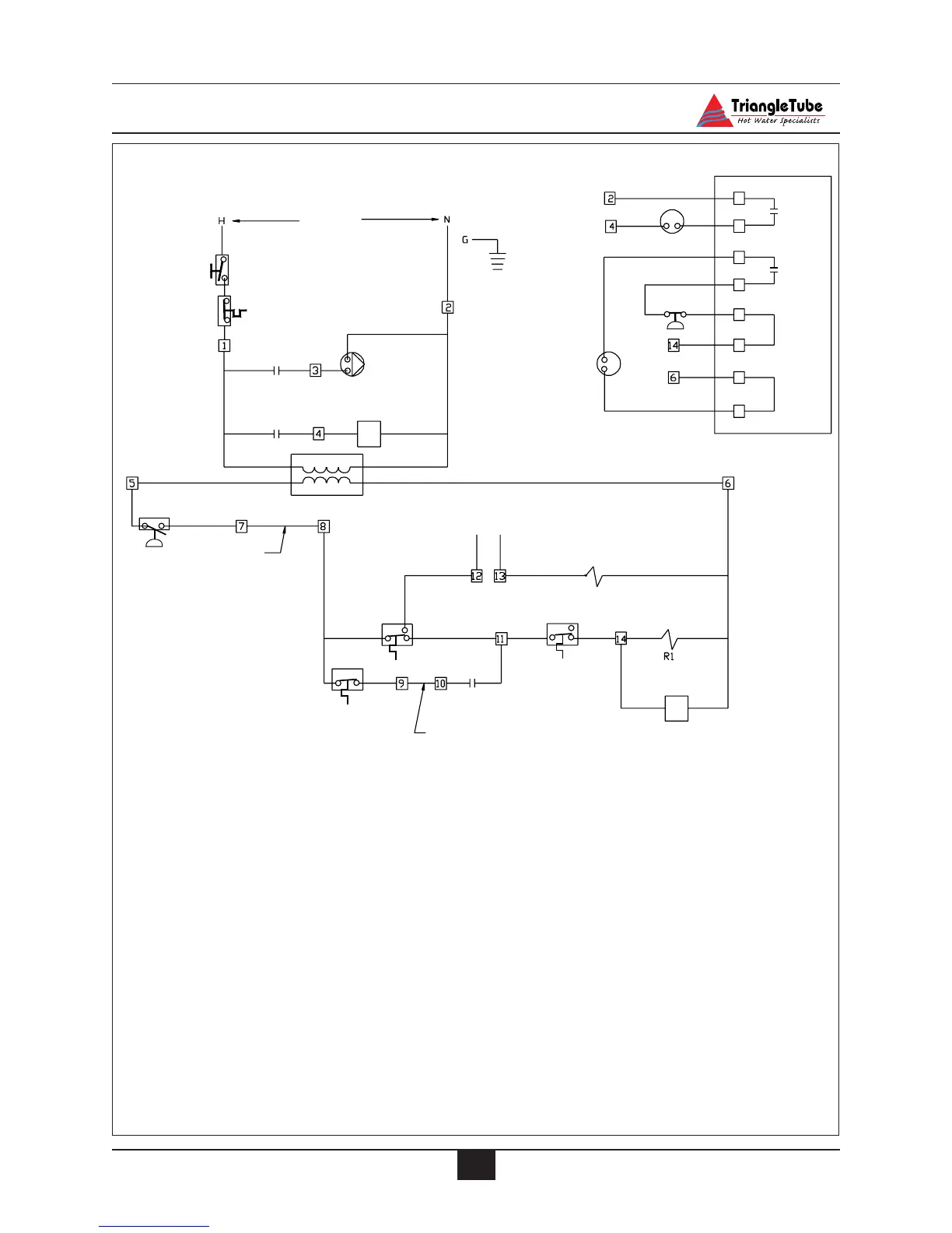
Internal Wiring
Jumper
LWCO
Burner Control
Circulator
Manual
Reset
Limit
R2A
R1A
120V
24V
Room T-stat
Snap-set
Secondary
T-stat
Gas Valve
Auto
Reset
Limit
Burner Control
Factory
Jumper
R2B
Air Switch
Blower
Alarm
Equipment
Ground
On-Off
Switch
120 VAC
R2
B
B
B
B
B
B
B
B
B
B
B
R
B
B
R
R
R
R
W
W
BL
BL
BL
BRN
T
T
V
V
V
P
P
Y
Y
OR
Y
V
BL BL
Primary
T-Stat
CDM
C
C
PS1
PS2
MV
IND
L1
B - Black
BL - Blue
P - Pink
V - Violet
Y - Yellow
R - Red
OR -Orange
T - Tan
W- White
Fig. 31: Factory Internal Wiring

Table of Contents