EasyManua.ls Logo

Delta Performance PG-25 - External Control Wiring Diagrams

Delta Performance PG-25
80 pages
Print Icon
To Next Page IconTo Next Page
To Next Page IconTo Next Page
To Previous Page IconTo Previous Page
To Previous Page IconTo Previous Page
Loading...
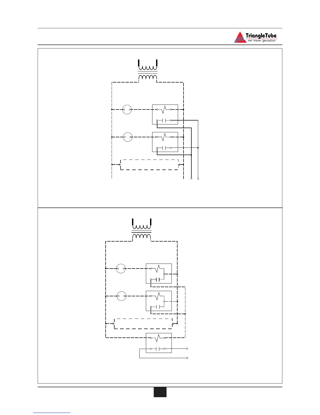
External Wiring
H
N
High Voltage
120
V.A.C.
24
V.A.C.
Room
Thermostat
Room
Thermostat
Zone 1
Zone 2
Additional zones
Additional zones may
be added as shown above
To PERFORMANCE
"Room Thermostat"
Snap Set
Transformer
(Power)
Zone
Valve
Zone Valve
C
1
To PERFORMANCE
"Room Thermostat"
Snap Set
H
N
High Voltage
120
V.A.C.
24
V.A.C.
Room
Thermostat
Room
Thermostat
Zone 1
Zone 2
Additional zones
Additional zones may
be added as shown above
Transformer
(Power)
Zone
Valve
Zone Valve
* Isolation relay
1
C
46
4 Wire Zone Valve
Fig. 33: Multiple Zone Field Wiring Using Zone Valves
3 Wire Zone Valve
*Use isolation relay on 3-wire
zone valve with non-isolated
end switch. Transformer and
the PERFORMANCE control
can burn out if isolation relay is
not used.

Table of Contents