EasyManua.ls Logo

Delta VFD022B43A - Page 15

Delta VFD022B43A
178 pages
Print Icon
To Next Page IconTo Next Page
To Next Page IconTo Next Page
To Previous Page IconTo Previous Page
To Previous Page IconTo Previous Page
Loading...
3
VFD-B Series
DELTA ELECTRONICS, INC. ALL RIGHTS RESERVED
3-3
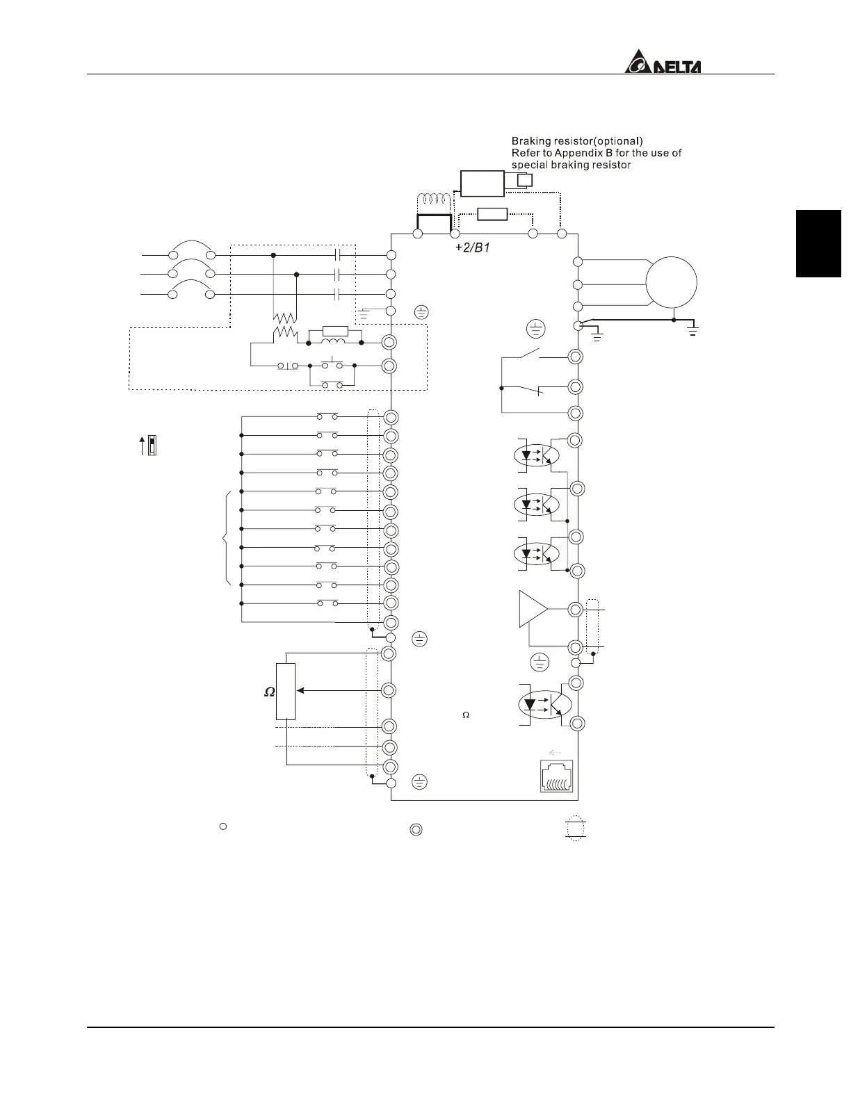
Figure 2 for models of VFD-B Series 3-15 HP
VFD022B21A, VFD037B23A/43A, VFD055B23A/43A, VFD075B23A/43A, VFD110B23A/43A
* For the single phase application, the AC input line can
be connected to any two of the three input terminals R,S,T
+1
B2
Jumper
VFDB
* Three phase input power may apply to single phase drives.
-(minus sign)
BR
BR
DC chock
(optional)
AVI
ACI
AUI
ACM
4~20mA
-10~+10V
+10V
5K
3
2
1
Power supply
+10V 20mA
Master Frequency
0 to 10V 47K
Analog Signal Common
E
FWD
REV
JOG
EF
MI1
MI2
MI3
MI4
MI6
TRG
MI5
DCM
+24V
Sw1
Sink
Source
Factory Default:
SINK Mode
FWD/STOP
REV/STOP
JOG
E.F.
Multi-step 1
Multi-step 2
Multi-step 3
Multi-step 4
RESET
Accel/Decel prohibit
Counter
Digital Signal Common
Factory
default
* Don't apply the mains voltage directly
to above terminals.
E
Please refer to Figure 4
for wiring of SINK
mode and SOURCE
mode.
R(L1)
S(L2)
T(L3)
Fuse/NFB(None Fuse Breaker)
SA
OFF
ON
MC
MC
RB
RC
Recommended Circuit
when power supply
is turned OFF by a
fault output
R(L1)
S(L2)
T(L3)
E
Analog Multi-function Output
Te r min a l
Factory default: Analog freq.
/ current meter
0~10VDC/2mA
MO3
U(T1)
V(T2)
W(T3)
IM
3~
MO1
MO2
A
FM
A
CM
RA
RB
RC
MCM
RS-485
Motor
Factory default:
indicates during operation
48V50mA
Factory default:
Freq. Setting Indication
Factory default:
Low-voltage Indication
Multi-function
Photocoulper Output
Analog Signal common
Serial interface
1: EV 2: GND
5:NC
6: for communication
3: SG-
4: SG+
DFM
DCM
Digital Frequency Output
Ter min al
Factory default: 1:1
Duty=50%
Digital Signal Common
48V50mA
48V50mA
E
E
Please refer to “Control
Terminal Explanation”.
6 1
Main circuit (power) terminals
Control circuit terminals
Shielded leads & Cable

Table of Contents

Related product manuals