EasyManua.ls Logo

Delta VFD055C43A-21 - Page 74

Delta VFD055C43A-21
1259 pages
Print Icon
To Next Page IconTo Next Page
To Next Page IconTo Next Page
To Previous Page IconTo Previous Page
To Previous Page IconTo Previous Page
Loading...
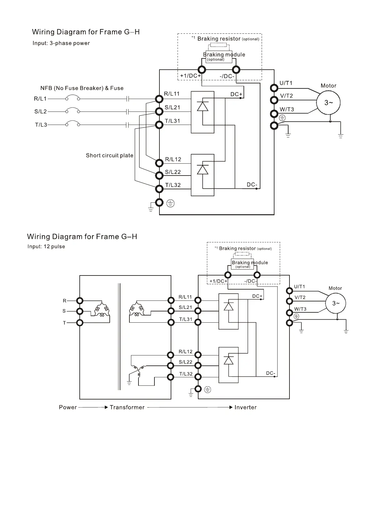
Chapter 4 WiringC2000 Plus
4-5
Figure 4-4
Figure 4-5
NOTE:
1. *1 means that refer to Section 7-1 for brake units and resistors selection.
2. When wiring for 12 Pulse Input, strictly follow above wiring diagram.

Table of Contents

Related product manuals