EasyManua.ls Logo

Delta VFD055C43A-21 - Page 764

Delta VFD055C43A-21
1259 pages
Print Icon
To Next Page IconTo Next Page
To Next Page IconTo Next Page
To Previous Page IconTo Previous Page
To Previous Page IconTo Previous Page
Loading...
Chapter 12 Description of Parameter SettingsC2000 Plus
12.2-9
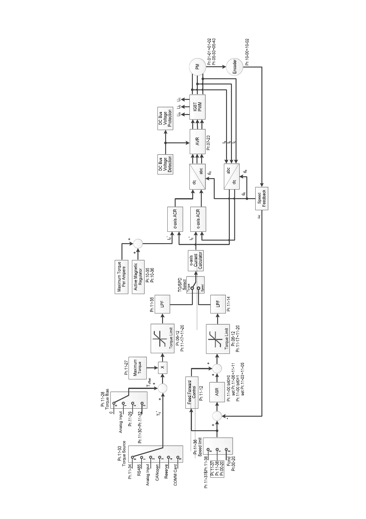
(B) PM TQCPG control diagram

Table of Contents

Related product manuals