EasyManua.ls Logo

Delta VFD1320CP43B-21 - Page 76

Delta VFD1320CP43B-21
868 pages
Print Icon
To Next Page IconTo Next Page
To Next Page IconTo Next Page
To Previous Page IconTo Previous Page
To Previous Page IconTo Previous Page
Loading...
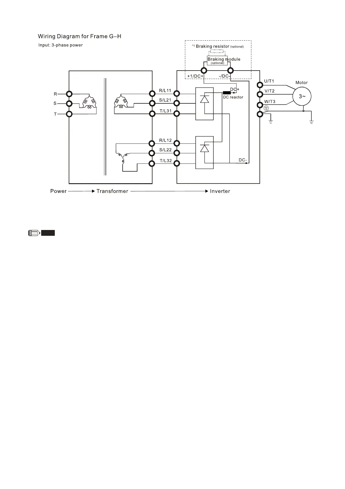
Chapter 4 WiringCP2000
4-5
Figure 4-4
*1 Please refer to Chapter 7-1 for brake units and resistors selection
NOTE
When wiring for 12 Pulse Input, please strictly follow above wiring diagram.

Table of Contents

Related product manuals