EasyManua.ls Logo

Delta VFD1600C43A-21 - Page 741

Delta VFD1600C43A-21
1259 pages
Print Icon
To Next Page IconTo Next Page
To Next Page IconTo Next Page
To Previous Page IconTo Previous Page
To Previous Page IconTo Previous Page
Loading...
Chapter 12 Descriptions of Parameter SettingsC2000 Plus
12.1-11-58
Diagram 28
CiA402 object
0x6098H
Z Y X
Function Description
Homing
Method
Home
Limit
Z-phase
Signal
Setting
Homing
Mode
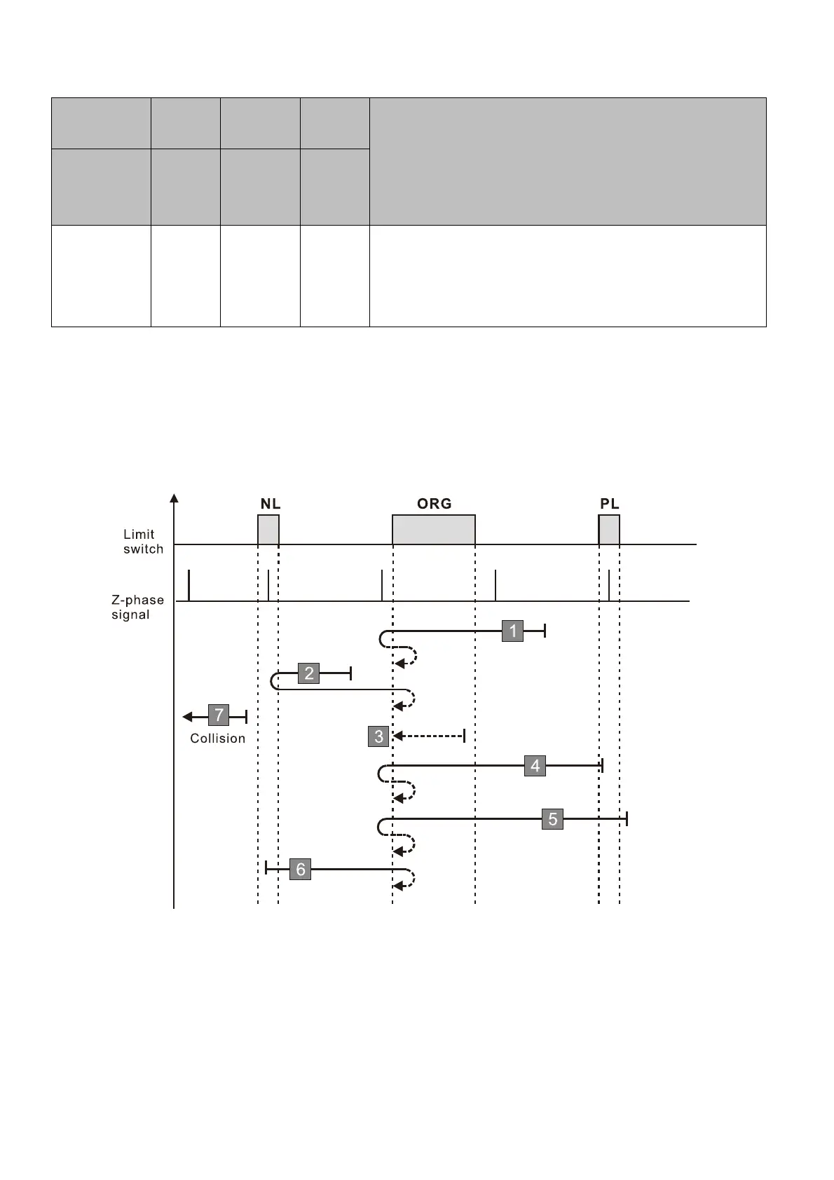
30 1 2 7
Execute homing position control in the reverse direction
and use the ORG switch (from 1 to 0) as the origin. When
encountering the negative limit switch, the direction is
reversed to locate the origin.
1. The initial movement is in the reverse direction.
2. When moving in the reverse direction and encountering the negative limit switch, the movement
direction is reversed and waits for the falling-edge trigger of the negative limit switch.
3. When moving in the forward direction and encountering the rising edge of the ORG switch, the
movement direction is reversed.
4. Then, wait for the falling-edge trigger of the ORG switch as the origin.
A homing failure occurs when the following condition happen:
1. If a positive limit switch signal is encountered when the motor moves in the forward direction, a
homing failure occurs.
2. If no negative limit switch signal is encountered in the homing process mentioned above, and time-
out is triggered, then a homing failure occurs.

Table of Contents

Related product manuals