EasyManua.ls Logo

Delta VFD220C43A-21 - Page 465

Delta VFD220C43A-21
1259 pages
Print Icon
To Next Page IconTo Next Page
To Next Page IconTo Next Page
To Previous Page IconTo Previous Page
To Previous Page IconTo Previous Page
Loading...
Chapter 12 Descriptions of Parameter SettingsC2000 Plus
12.1-01-16
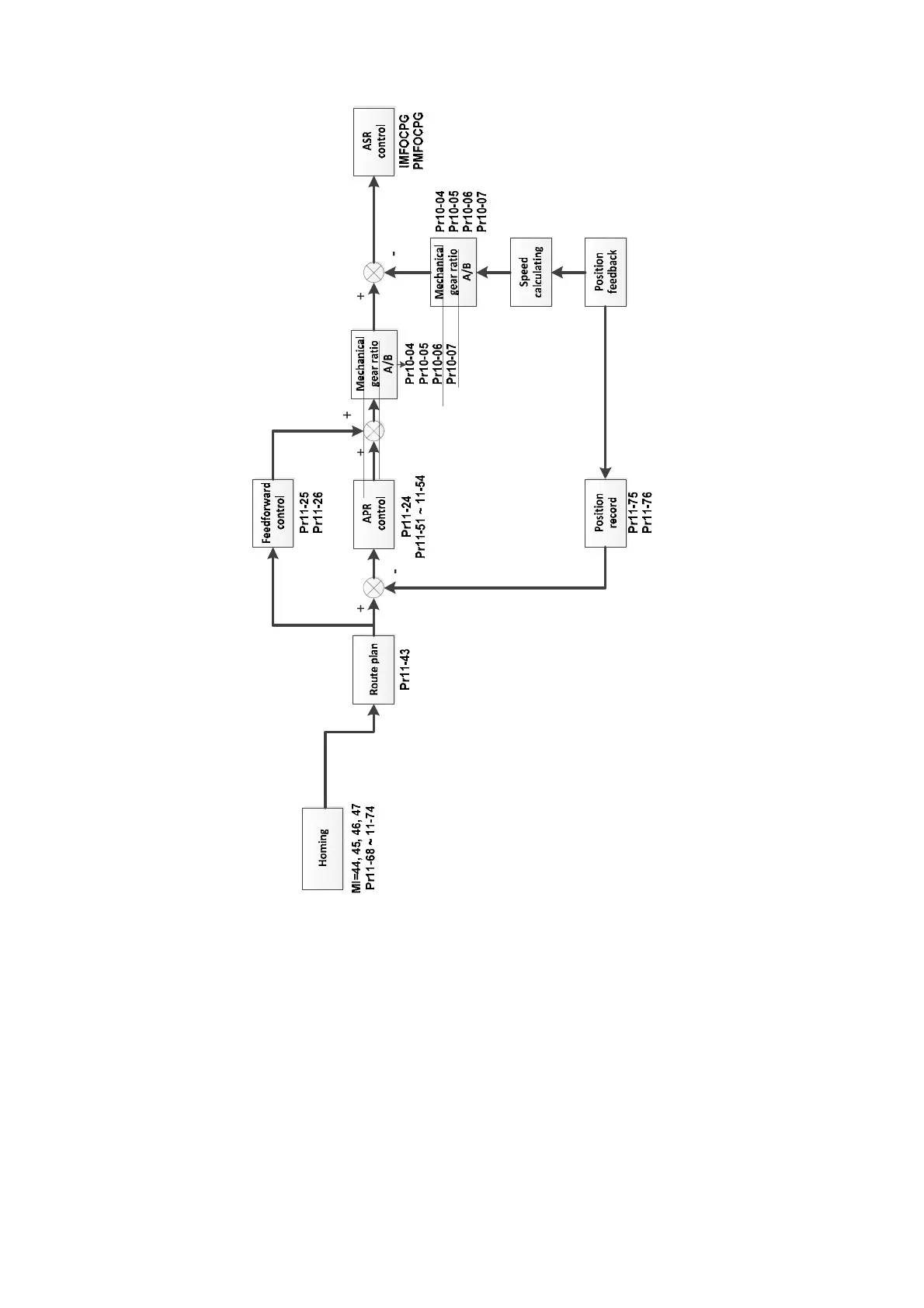
Homing position control diagram:
Homing position control:
The homing position control function determines the reference point of the motor moving coordinate
system. If you use the incremental encoder, the coordinate system origin is the position where the
drive is powered on. Use the homing positioning function to ensure that whenever you perform a
task the reference point is in the same position.
When you set and activate the multi-function input terminal to enable the homing function (MIx = 47)
under the position control mode, the homing position control function is enabled.
In the process of homing positioning, single-point positioning function and multi-step speed
command input are not available. Only when the homing positioning or single-point positioning
process is finished, the multi-step speed command is available.
Once the homing is finished after setting the multi-function output terminal to homing completed
(MOx = 49), this terminal remains ON.

Table of Contents

Related product manuals