EasyManua.ls Logo

Delta VFD220C43A-21 - Page 481

Delta VFD220C43A-21
1259 pages
Print Icon
To Next Page IconTo Next Page
To Next Page IconTo Next Page
To Previous Page IconTo Previous Page
To Previous Page IconTo Previous Page
Loading...
Chapter 12 Descriptions of Parameter SettingsC2000 Plus
12.1-01-32
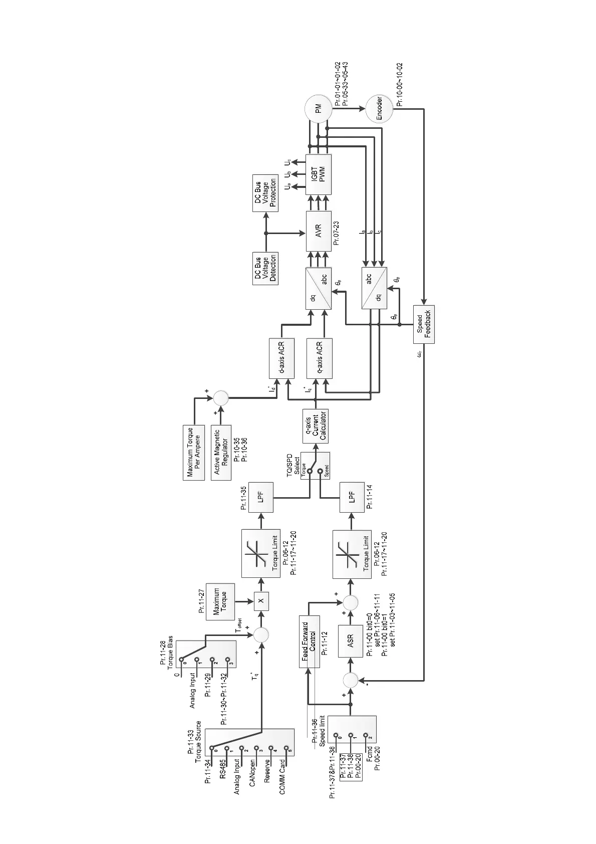
Pr.00-13 = 1, PM TQCPG control diagram is as follows:

Table of Contents

Related product manuals