EasyManua.ls Logo

Delta VFD450C43S-21 - Page 714

Delta VFD450C43S-21
1259 pages
Print Icon
To Next Page IconTo Next Page
To Next Page IconTo Next Page
To Previous Page IconTo Previous Page
To Previous Page IconTo Previous Page
Loading...
Chapter 12 Descriptions of Parameter SettingsC2000 Plus
12.1-11-31
Diagram 1
CiA402 object
0x6098H
Z Y X
Function Description
Homing
Method
Home
Limit
Z-phase
Signal
Setting
Homing
Mode
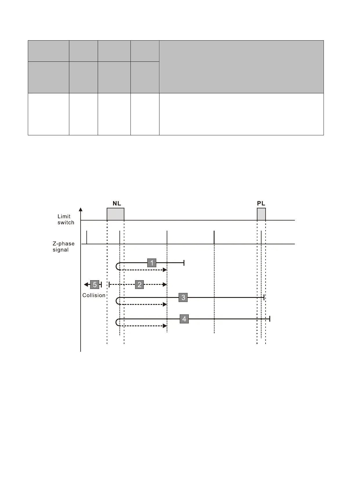
1 - 0 1
Execute homing position control in the reverse direction
until encountering the negative limit switch. Then, the
direction is reversed to locate the Z-phase signal as the
origin.
1. The initial movement is in the reverse direction.
2. When encountering the rising edge of the negative limit switch, the movement direction is reversed
and waits for the falling-edge trigger of the negative limit switch.
3. Then, the movement locates the Z-phase signal in the forward direction and uses the Z-phase signal
as the origin.
A homing failure occurs when the following condition happen:
1. If a positive limit switch signal is encountered when the motor moves in the forward direction, a
homing failure occurs.
2. If no negative limit switch or Z-phase signal is encountered in the homing process mentioned
above, and time-out is triggered, then a homing failure occurs.

Table of Contents

Related product manuals