EasyManua.ls Logo

Delta VFD450C43S-21 - Page 720

Delta VFD450C43S-21
1259 pages
Print Icon
To Next Page IconTo Next Page
To Next Page IconTo Next Page
To Previous Page IconTo Previous Page
To Previous Page IconTo Previous Page
Loading...
Chapter 12 Descriptions of Parameter SettingsC2000 Plus
12.1-11-37
Diagram 7
CiA402 object
0x6098H
Z Y X
Function Description
Homing
Method
Home
Limit
Z-phase
Signal
Setting
Homing
Mode
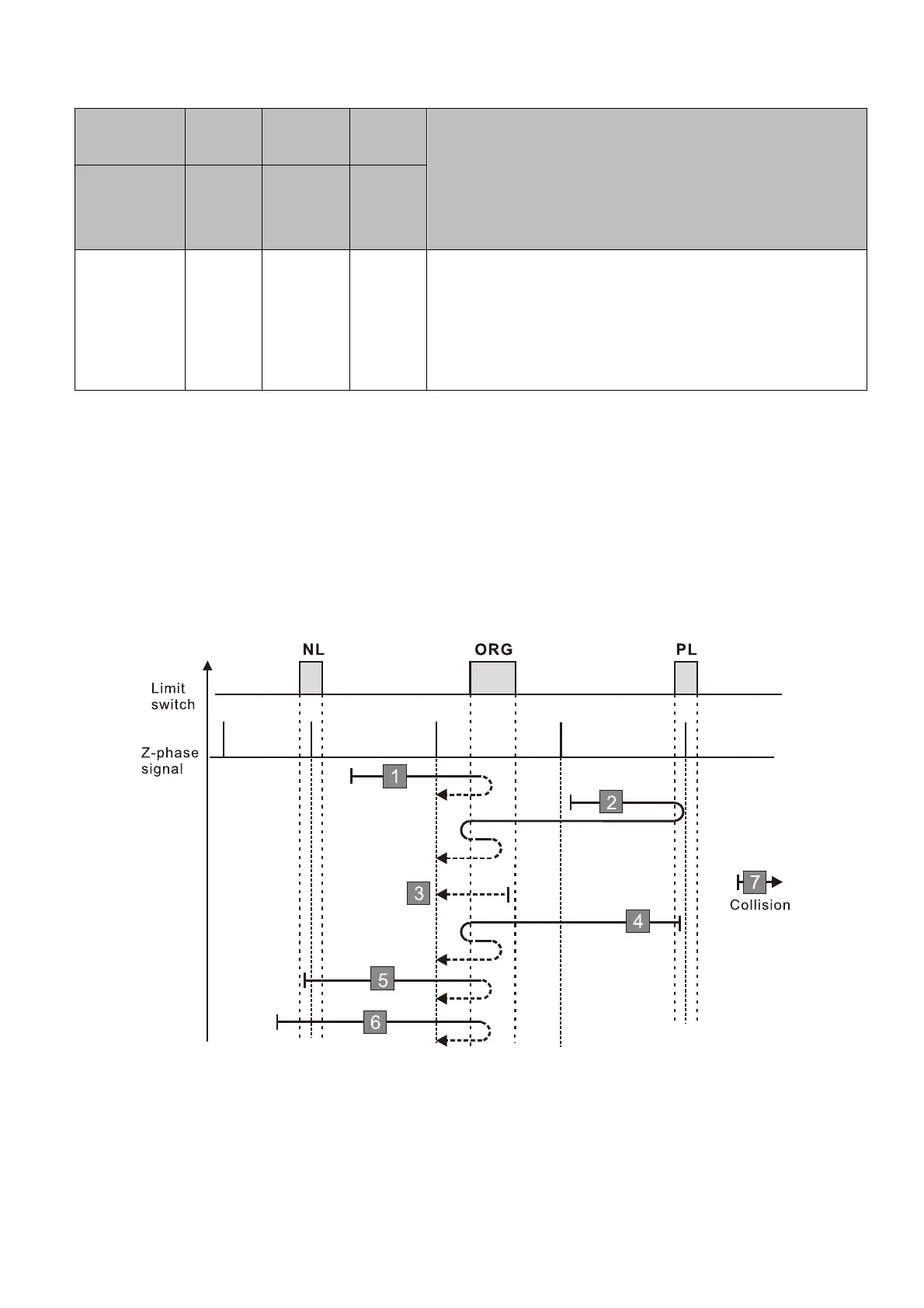
7 1 0 2
Execute homing position control in the forward direction
until encountering the ORG switch (from 0 to 1). Then,
the direction is reversed to locate the Z-phase signal as
the origin. When encountering the positive limit switch,
the direction is reversed to locate the origin.
1. The initial movement direction depends on the ORG switch status. The initial movement is in the
reverse direction if the ORG switch is active; the initial movement is in the forward direction if the ORG
switch is inactive.
2. When moving in the forward direction and encountering the positive limit switch, the movement
direction is reversed and waits for the falling-edge trigger of the positive limit switch.
3. When moving in the forward direction and encountering the rising edge of the ORG switch, the
movement direction is reversed.
4. Then, the movement locates the Z-phase signal in the reverse direction and uses the Z-phase signal
as the origin.
A homing failure occurs when the following condition happen:
1. If a negative limit switch signal is encountered when the motor moves in the reverse direction, a
homing failure occurs.
2. If no positive limit switch or Z-phase signal is encountered in the homing process mentioned above,
and time-out is triggered, then a homing failure occurs.

Table of Contents

Related product manuals