5.0V
11.8V
11.9V5.1V
-
12.1V
-
5.0V
-
32.3V
15.2V
24.7V
-
14.9V
-
25V
-
11.6V
-
4.8V
11.3V
7.6V
12.2V
23.2V
5.0V
5.0V
9.1V
3.2V
6.1V
10.5V
-
44.2V
111
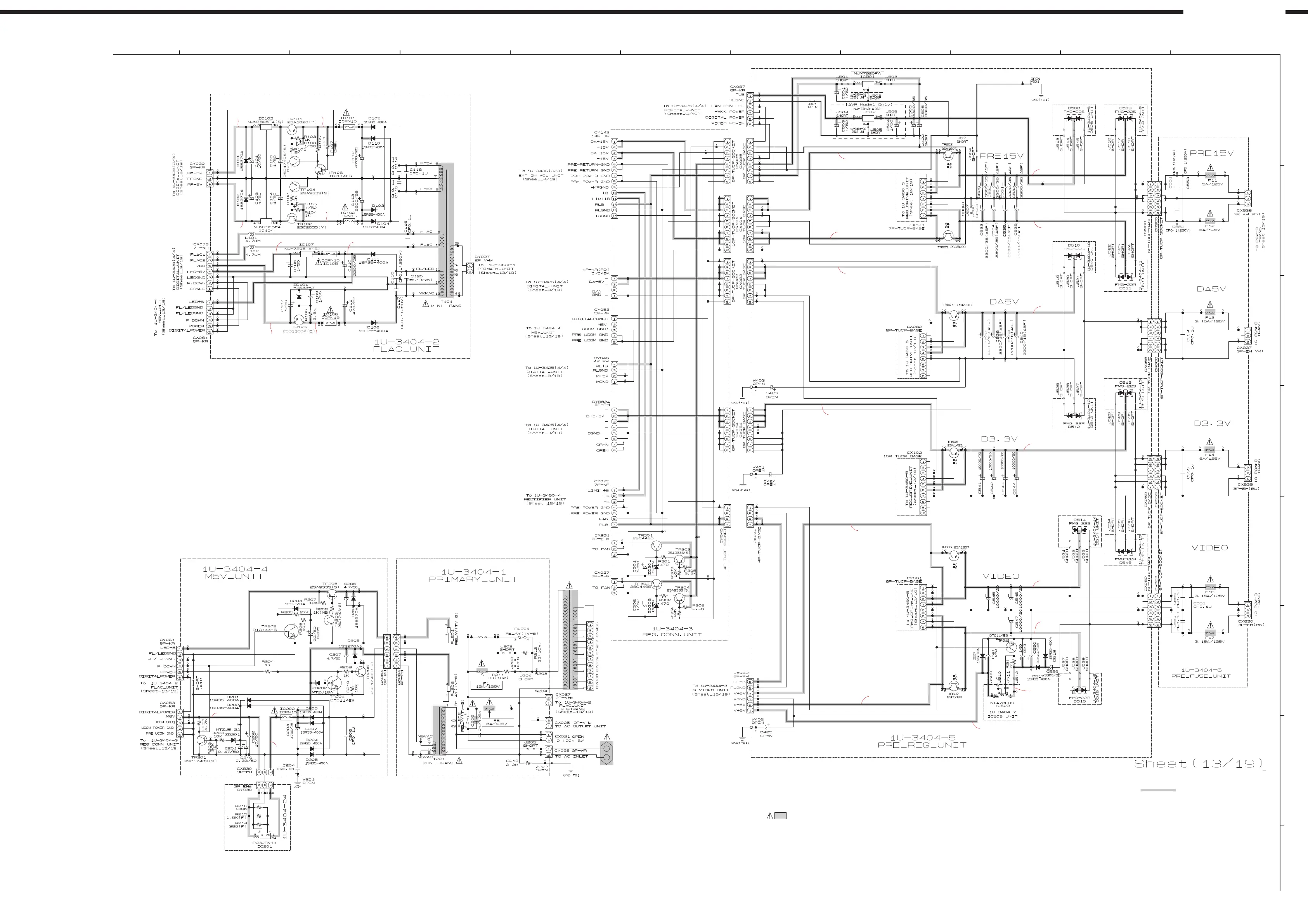
SCHEMATIC DIAGRAMS (13/19)
SCHEMATIC DIAGRAMS (13/19)
1 2 3 4 5 6 7 8 9 10 11
A
B
C
D
E
F
G
H
NOTICE
ALL RESISTANCE VALUES IN OHM. k=1,000 OHM M=1,000,000 OHM
ALL CAPACITANCE VALUES IN MICRO FARAD. P=MICRO-MICRO FARAD
EACH VOLTAGE AND CURRENT ARE MEASUERD AT MO SIGNAL INPUT
CONDITION.
CIRCUIT AND PARTS ARE SUBJECT TO CHANGE WITHOUT PRIOR
NOTICE.
WARNING:
Parts marked with this symbol have critical characteristics.
Use ONLY replacement parts recommended by the manufacture.
CAUTION:
Before returning the unit to the customer, make sure you make either (1) a
leakage current check or (2) a line to chassis resistance check. If the leakage
current exceeds 0.5 milliamps, or if the resistance from chassis to either side
of the power card is less than 460kohms, the unit is defective.
WARNING:
DO NOT return the unit to the customer until the problem is located and
corrected.
AVR-5803/AVC-A1SR
1U-3404-1 PRIMARY UNIT
1U-3404-2 FLAC UNIT
1U-3404-3 REG. CONN. UNIT
1U-3404-4 M5V UNIT
1U-3404-5PRE REG UNIT
1U-3404-6 PRE FUSE UNIT
1U-3404-7 IC509 UNIT
1U-3404-8 D508 UNIT
1U-3404-9 D509 UNIT
1U-3404-10 D510 UNIT
1U-3404-11 D511 UNIT
1U-3404-12 D512 UNIT
1U-3404-13 D513 UNIT
1U-3404-14 D514 UNIT
1U-3404-15 D515 UNIT
1U-3404-16 D516 UNIT
1U-3404-21 IC501 UNIT
1U-3404-22 IC502 UNIT
1U-3404-24 IC201 UNIT
B LINE
_
+