EasyManua.ls Logo

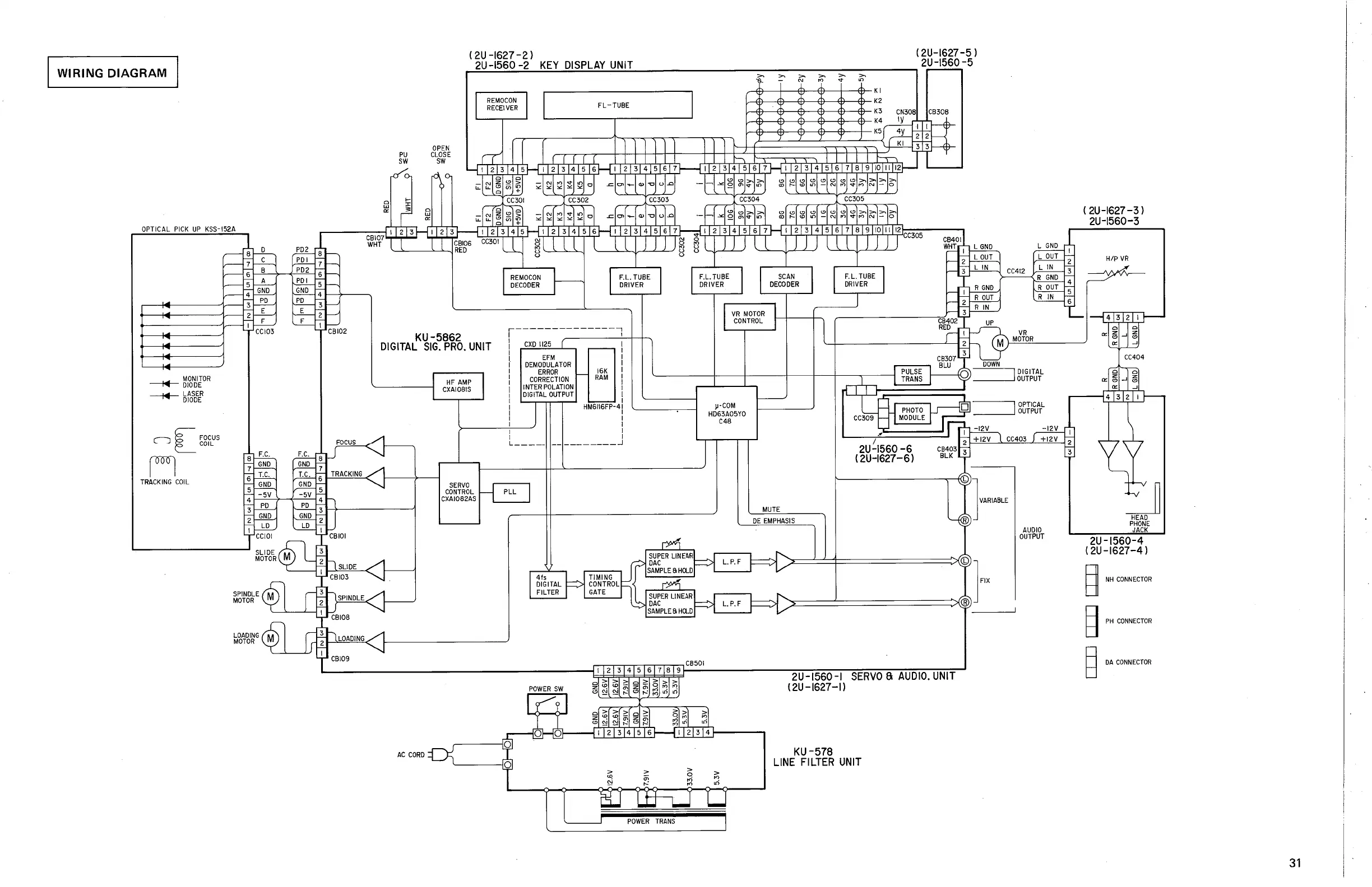
Denon DCD-1400 - Wiring Diagram

Denon DCD-1400
38 pages
Print Icon
To Next Page IconTo Next Page
To Next Page IconTo Next Page
To Previous Page IconTo Previous Page
To Previous Page IconTo Previous Page
Loading...

Related product manuals