EasyManua.ls Logo

Denon DCM-440 - Schematic Diagram

Denon DCM-440
38 pages
Print Icon
To Next Page IconTo Next Page
To Next Page IconTo Next Page
To Previous Page IconTo Previous Page
To Previous Page IconTo Previous Page
Loading...
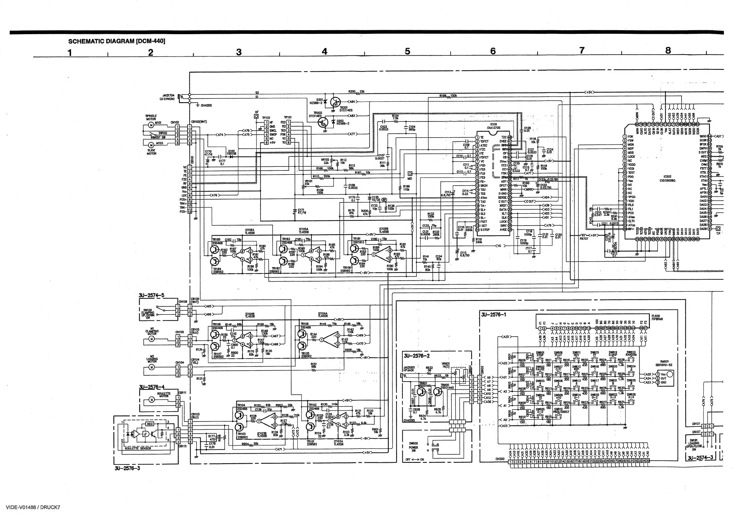
SCHEMATIC
DIAGRAM
[DCM-440]
1
2
3
4
5
6
7
8
PELE
ES
S|
DBOEE
NTIATOEIESEIESED
eE<
#
ELE:
aso
g
Z2z
PEPEST
gg
RS8SRBRe2
CB105
oss
apie
owes
JSS
|
a
G
rt,
|
Ce
SP
er
=
@
“ap
c900
Y4)+5)
By,
()
OA
‘SW6}
BB
ANDOM
|
9
R624.
R628,
ok
|
swe24
SBX1610-52
3
oy
o 9
A25
C1)
Vee
(_)
Swe
[O<A24
(2)
OUT
4
‘423
>-(3)
GND
efhy
I
big
IF
wosrtesl
|;
!
rielsTeTs
16]
71s
ohoihzhshshshiehia
PTT
TL
EL
LU
rte
3U-2576-3
VIDE-V01488
/
DRUCK7

Related product manuals