EasyManua.ls Logo

Denon DN-X600 - System Diagram

Denon DN-X600
28 pages
Print Icon
To Next Page IconTo Next Page
To Next Page IconTo Next Page
To Previous Page IconTo Previous Page
To Previous Page IconTo Previous Page
Loading...
20
Before use
Part names and
functions
Connections
Basic
operations
Effector
function
Fader
Start function
USB settings
Troubleshooting
specifications
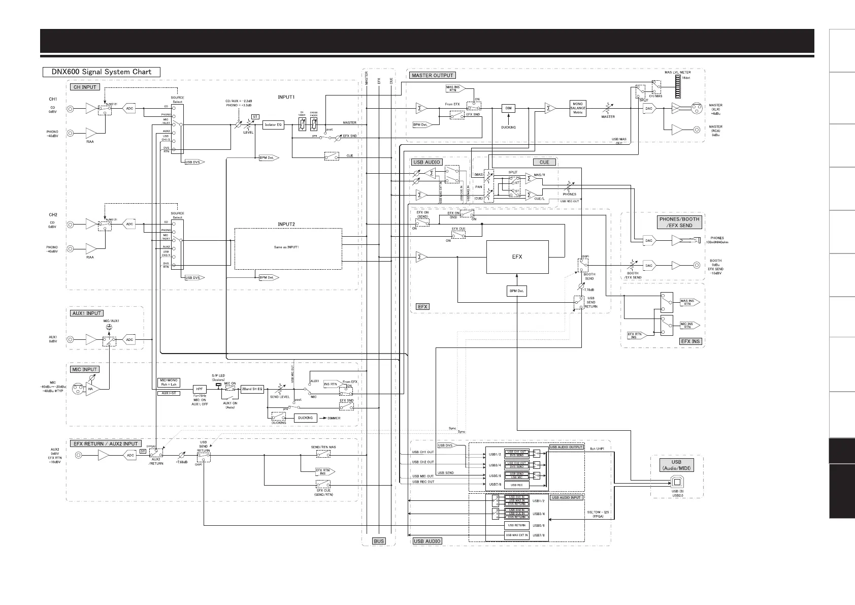
System diagram
IndeX
System diagram

Table of Contents