EasyManua.ls Logo

Denon DR-M22 - Wiring and Connections; P.W. Board Connections Diagram

Denon DR-M22
31 pages
Print Icon
To Next Page IconTo Next Page
To Next Page IconTo Next Page
To Previous Page IconTo Previous Page
To Previous Page IconTo Previous Page
Loading...
[
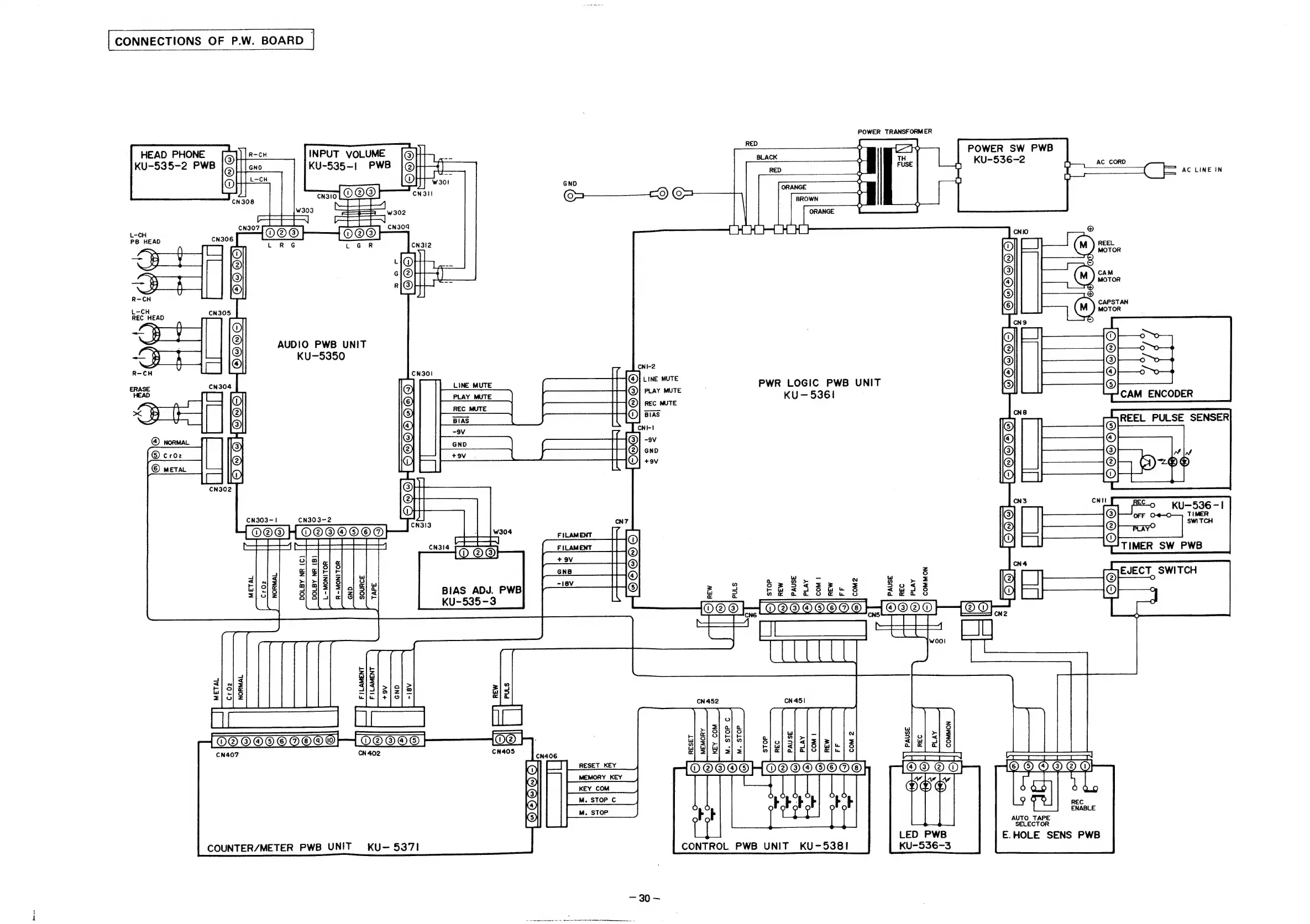
CONNECTIONS
OF
P.W.
BOARD
POWER
TRANSFORMER
POWER
SW
PWB
KU-536-2
HEAD
PHONE
KU-535-2
PWB
INPUT
VOLUME
KU-535-|
PWB
)
_——
ie
sercrermemceess
(Nd
==
AC
LINE
IN
a
R-CH
L-cH
REC
HEAD
AUDIO
PWB
UNIT
KU-5350
R-CH
ei
PWR
LOGIC
PWB
UNIT
KU-—5361
ERASE
CN304
LINE
MUTE
|
fa
BIAS
ADJ.
PWB
KU-535-3
7
so
a
(@croz
_|
2
@
©
meta
mac
CN303-2
METAL
NORMAL
OOLBY
NR
(B)
R-MONITOR
2
|
Geeaeaa
Wool
TT
[
;
i
CN
452
CN45!
O®DOMAOOOO@YO
3)
(4)
)
|
Gb.
5
ALF
di
i
Pe]
7
a
a
AE
TY
MEMORY
KEY
_|
METAL
NORMAL.
FILAMENT
|
|
STOP
PLAY
OOO@OHOOOO
OOOO
OOOOOO
AUTO
TAPE
SELECTOR
E.HOLE
SENS
PWB
LED
PWB
KU-536-3
COUNTER/METER
PWB
UNIT
KU—
5371
CONTROL
PWB
UNIT
KU-5381
—30-

Other manuals for Denon DR-M22

Related product manuals