EasyManua.ls Logo

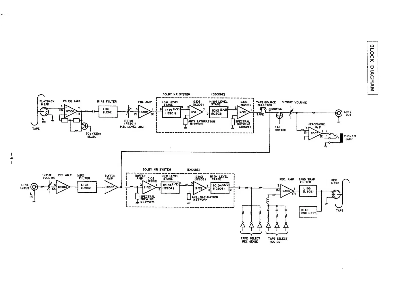
Denon DR-M22 - System Diagrams; Block Diagram

Denon DR-M22
31 pages
Print Icon
To Next Page IconTo Next Page
To Next Page IconTo Next Page
To Previous Page IconTo Previous Page
To Previous Page IconTo Previous Page
Loading...
LINE
INPUT
(R)
PLAYBACK
PB
EQ
AMP
BIAS
FILTER
LW
(L204)
TOp/l20p
SELECT
PRE
AMP
VOLUME
L103
i
{L203)
DOLBY
NR
SYSTEM
(DECODE)
Ro
om
ren
on
mee
ee
nn
ow
eo
ee
Pre
AMP.
|
Low
LEVEL
1c102
HIGH
LEVEL
coz
=!
{
STAGE
ee
{1C202)
STAGE
;
(C202)
5
3
18
7
|
tet)
272-—
|
(5)
m
}
2)
C202)
!
i]
i
RTIO!
'
E
ANT!
SATURATION
SPECTRAL
!
(RT201)
H
NETWORK
SKEWING
!
PB.
LEVEL
ADV.
|
ctRcuIT
|
Moetelousannas
wes
caeeee
atmo
ose
DOLBY
NR
SYSTEM
ENCODE}
en
nw
ne
woman
ae
enon
'
W
LEVEL
10103,
HIGH
LEVEL
14
'
One”
Nea
OP
AGE
oe
STAGE
H
1
10104
(2)
1c1ogl2/2p
}
r
-
t1C204)
-
e204)
fF
1
:
H
|
SPECTRAL
|
J
awe
eaTueaniCN
'
'
SKEWING
H
!
NETWORK
been
eee
ee
ee
ee
eee
Seal
TAPE/SOURCE
OUTPUT
VOLUME
SELECTOR
8
SOURCE
LINE
TAPE
ay
OUT
A
HEADPHONE
FET
SWITCH
R-
PHONE
S
—O—
OE
sack
REC.
AMP
BAND
TRAP
REC
TAPE
SELECT
TAPE
SELECT
REC
SENSE
REC
EQ.
78
|
WVHDVIG
190798

Other manuals for Denon DR-M22

Related product manuals