EasyManua.ls Logo

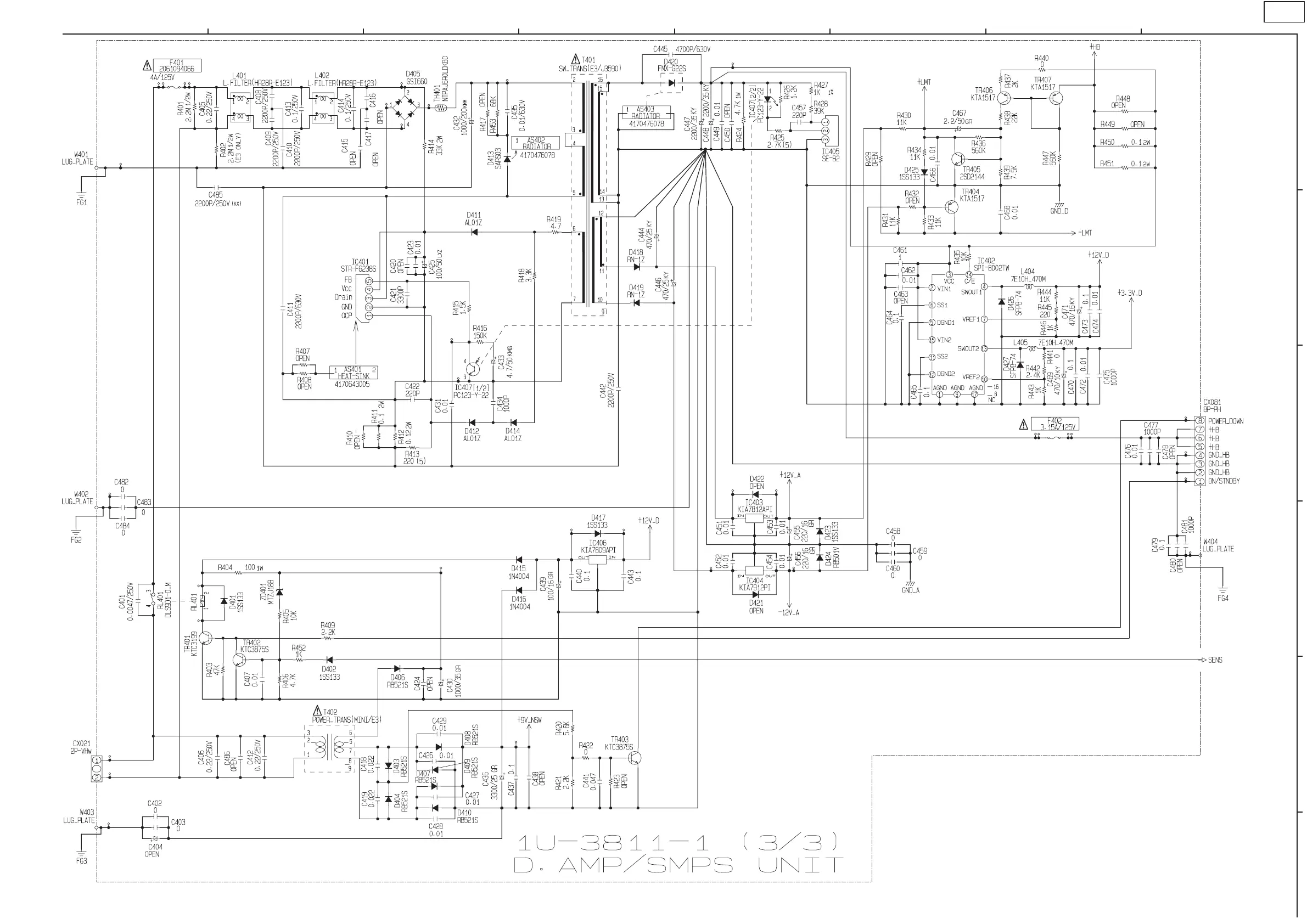
Denon S-102 - Schematic Diagrams (16;17) - 1 U-3811-1 D.AMP;SMPS Unit (3;3) (for E3 model)

Denon S-102
125 pages
Print Icon
To Next Page IconTo Next Page
To Next Page IconTo Next Page
To Previous Page IconTo Previous Page
To Previous Page IconTo Previous Page
Loading...
87654321
A
B
C
D
E
F
SCHEMATIC DIAGRAMS (16/17)
SCHEMATIC DIAGRAMS (16/17)
1U-3811-1 D.AMP/SMPS UNIT (3/3)
(for E3 model)
S-102

Other manuals for Denon S-102

Related product manuals