EasyManua.ls Logo

Denso 4M41 - Page 31

Denso 4M41
52 pages
Print Icon
To Next Page IconTo Next Page
To Next Page IconTo Next Page
To Previous Page IconTo Previous Page
To Previous Page IconTo Previous Page
Loading...
Operation Section
1
26
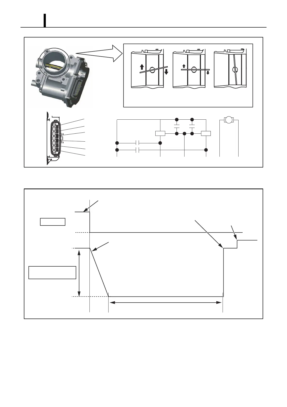
(2) Operation
Q001256E
VTA1
VTA1
M+
M-
IC1
VC
VC
VTA2
VTA2
E2
E2
M+
M-
IC2
M
Valve Fully Opened
(Mechanical)
Valve Fully Opened
(by Control)
Valve Fully Closed
Q001232E
ON
Target Valve Opening
(Percentage)
Throttle valve fully opened
(by control)
Key switch OFF throttle valve shut.
Approx. 0.1 - 0.2 sec.
Engine OFF, valve fully opened
(by control)
Valve fully opened
(mechanical)
OFF
100%
Engine Key
0%

Table of Contents

Related product manuals