EasyManua.ls Logo

Denso 4M41 - External Wiring Diagram; Engine ECU External Wiring Diagram

Denso 4M41
52 pages
Print Icon
To Next Page IconTo Next Page
To Next Page IconTo Next Page
To Previous Page IconTo Previous Page
To Previous Page IconTo Previous Page
Loading...
Operation Section
1
42
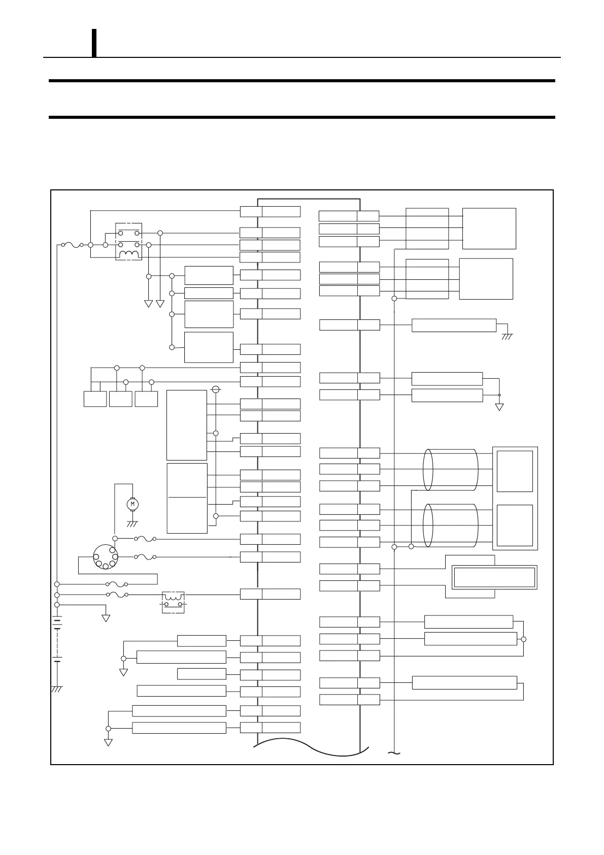
15. EXTERNAL WIRING DIAGRAM
15.1 Engine ECU External Wiring Diagram
z The wiring diagram below is common to the 4D56/4M41 model.
Q001257E
Throttle
Solenoid Valve
SCV
(Suction
Control Valve)
Air
Conditioning
Relay
FAN Relay
Control (ECCS) Relay
P1 P2
BATT
Air Conditioning 2 Switch
Air Conditioning 1 Switch
Glow Light
Glow Pulg Relay
BATT
Key
ACC
I
S
OFF
Battery
Starter
Motor
EGR
Position
Sensor
EGR
DC Motor
Elecronic
Throttle
Control
Body
Earth
P1
Engine Warning Light
Tacho Meter
Vehicle Speed Sensor
NE+
NE-
A46
A65
A-VCC3
A-VCC4
Crankshaft
Position
Sensor
Cylinder
Recognition
Sensor
A44
A45
BATT
B40
A/C2 SW
A31
A/C1 SW
A12
WA16
GROW L
A38
GROW R
A37
IG-SW
B26
STA-SW
B18
EGR LIFT RTN
A72
EGR LIFT
A53
B05
EGR -
A07
EGR +A08
ETC -
B37
ETC +
B35
ETCP-S
ETCP-M
A81
SPDB16
TACHO
B25
+BP
B38
+BP
B39
M-REL
B24
THR
A15
C FAN R
A27
A/C R
A26
CAN1-H
CAN1-L
B14
B06
SCV
A17
G+
G-
A47
A66
PS-SW
Power Steering Switch
Reverse Shift Switch
1st Shift Switch
Air Temperature Sensor
Fuel Temperature Sensor
Body
Earth
BATT
Accelerator
Position Sensor
B30
MT REV SW
B20
MT 1ST SW
B19
A-VCC1
B01
APS1
B02
APS1 GND
B03
A-VCC2
B09
APS2
B10
APS2 GND
B11
A10
SCV-
SCV
(Suction Control Valve)
SCV+
A29
A79
THF
THA
A50
THFRTN
A69
Coolant Temperature Sensor
A51
THWRTN
THW
A70

Table of Contents

Related product manuals