EasyManua.ls Logo

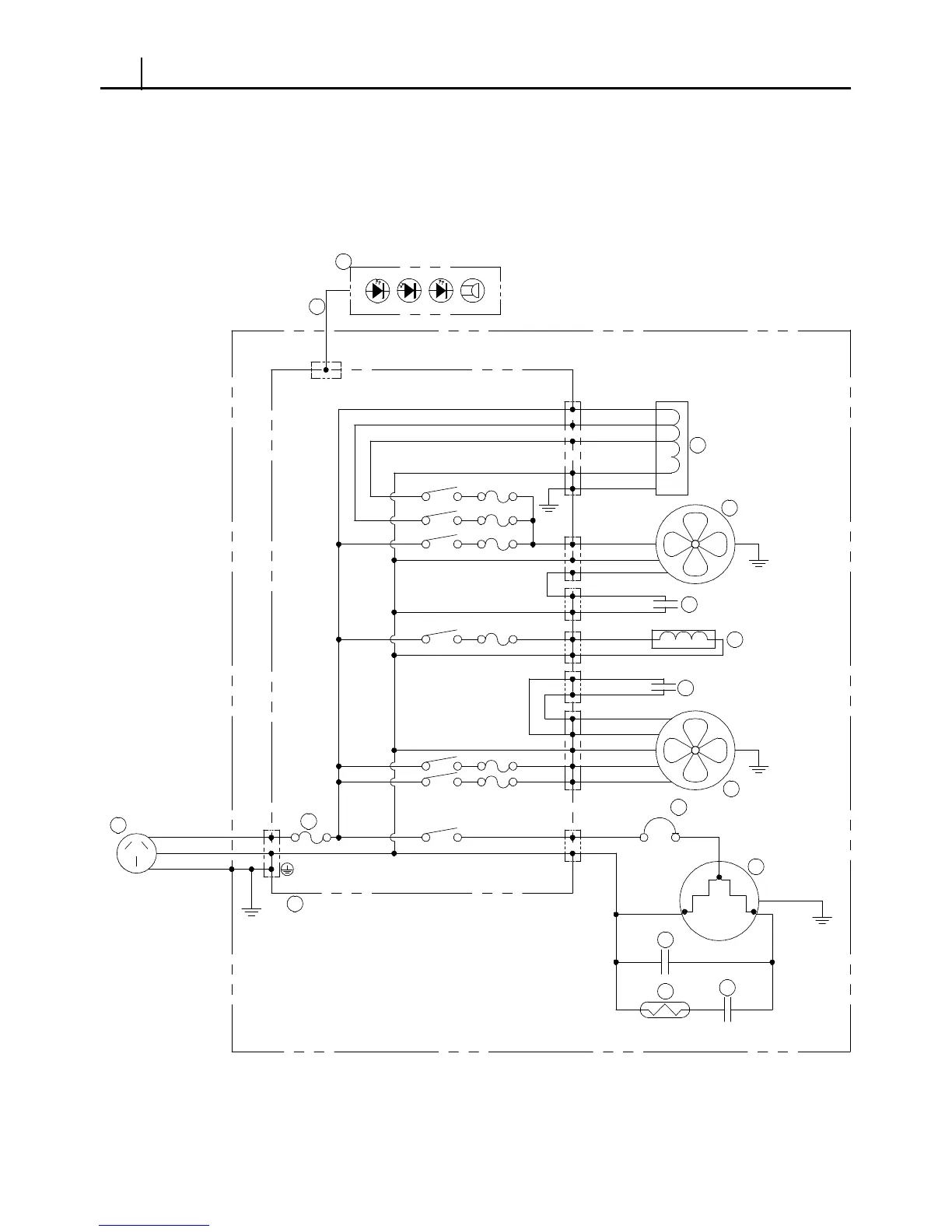
Denso UB1 - 7.1 WIRING DIAGRAM

Denso UB1
18 pages
Print Icon
To Next Page IconTo Next Page
To Next Page IconTo Next Page
To Previous Page IconTo Previous Page
To Previous Page IconTo Previous Page
Loading...
12




































































7.1 WIRING DIAGRAM

Related product manuals