EasyManua.ls Logo

Denyo DCA-13LSK - Generator Connection Diagram

Denyo DCA-13LSK
61 pages
Print Icon
To Next Page IconTo Next Page
To Next Page IconTo Next Page
To Previous Page IconTo Previous Page
To Previous Page IconTo Previous Page
Loading...
O p t i
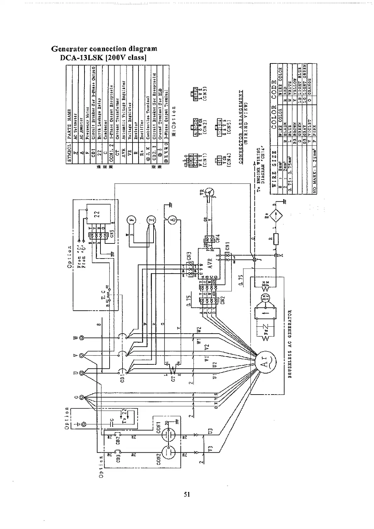
Generator connection diagram
DCA-I3LSK [200V class]
О
51

Related product manuals