EasyManua.ls Logo

Denyo DCA-13LSK - Page 58

Denyo DCA-13LSK
61 pages
Print Icon
To Next Page IconTo Next Page
To Next Page IconTo Next Page
To Previous Page IconTo Previous Page
To Previous Page IconTo Previous Page
Loading...
Op t i 0 n
<_л
JX
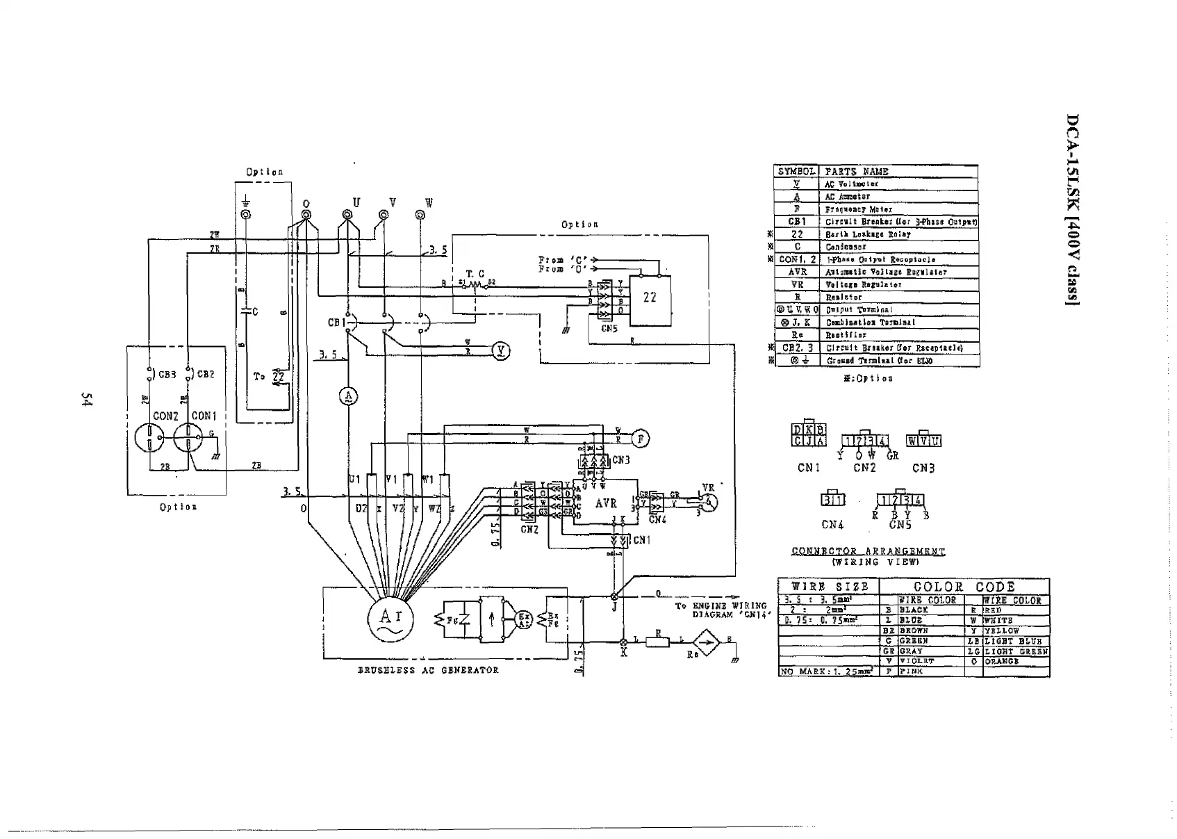
SYMBOL
PARTS NAME
x
AC Voltm eter
A
AC Anroeter
P
Fr equeney Ms le i
CB1 C ircu it Bfeaker Uer 3-РЬаве Output]
22
Bertb Ьавкядс fcolep
С Со лdeesor
CON 1, 2
l-pfceee Qhtpiat Receptacle
AVJt
A utaiu tic VoHaec R tteiU ier
VR
Voltage Regulator
S.
&atJ&ter
© U V ,K 0
Output ТетЫ пд!
© J. К
C oubtaatU i Terminal
Re
EEeetHiar
C B 2, 3
C ircu it Breaker [for Rscepttelo}
@ -A-
Groued Tannine I (for Ш 0
S:0pt ion
ш га щ
i 3
CHI CH2 CH3
гёйз ji iffy41
CNi
R В Y Б
СЫ5
HtUjLHBCrrOR ARRANGEMENT
(WIRING VIEW)
W I R E S I Z E
C O L O R C O D E
3. S ! 3. 5 n n l
WIRE COLOR
IWIRE COLOR
г = г«
г
SLACK
fc ESC
[. 7 5 : 0. ISnnf
L BLUB
W FNITE
BE BROWN
Y YELLOW
С
GREEN
LB LIGBT BLUB
CR
GRAY
LG
LIGST GREEK
V
YIOLET
0
ORAHGE
NO MARK : I. гэпии* p
PINK
DCA-X5LSK [400V class]

Related product manuals