EasyManua.ls Logo

Denyo DCA-13LSK - Page 57

Denyo DCA-13LSK
61 pages
Print Icon
To Next Page IconTo Next Page
To Next Page IconTo Next Page
To Previous Page IconTo Previous Page
To Previous Page IconTo Previous Page
Loading...
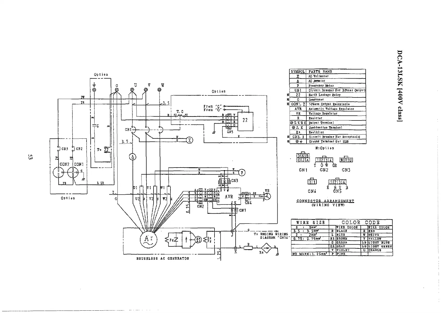
От t Io n
SYMBOL
FA R T S NAME
Y
AC Y d IbBteT
Л
AC AMMtci
?
F m v c a i y M Hbj
CB!
C3 r CU J li S re a tc j {Гот 3-?ha*c Output)
И
Earth Leakage Raley
С
Ct>mdanior
C0JJ1, 2
fphase Output R e tap u c ie
AVR A'slonatlc VoH&stt R a j^ U te r
VR
Y&t taffB Д.9Еи)аДдг
R
Rdq1s1 or
© U V W O
Output TBiralne ]
® I. К
CtunblitUo» Terminal
R t
R v stH Ux
с в г . 3
C ircuit B reaker [tot Raccpiacio)
@ ijf
Ground ? n m ln il (I«r ELB
To ENGINE WIRING
DI AH UM ' G N U '
p к
si
с J
A
K : 0 p i I on
[wMui
CN1
Y (j Yf <}r
CH2 CUB
rfrYi
CNi
ДФ4Щ
R В Y В
CN5
CONNECTOR ARRANGEMENT
CW1RING VIEW>
WIRE SIZE
COLOR COLE
В г Зпшс
WISE COLO* w m COLOR
3.5:3, 5ЯИ1
в
FLACK
R
RED
Z i
L
B ttrs
W WBJTB
0, 75; 0. 75W
BE BROWN
T YELLOW
G
GRB5N
LB
LIGHT BLUB
Gfc
GRAY
LG
LIGHT GBBBN
V
v io l b t
0 ORANGB
NO MARK* 1. ? S a m J
F
P3WX
8RTISH L E S S AC G ENERA TOR
DCA-13LSK [400V class]

Related product manuals