EasyManua.ls Logo

Denyo DCA-70ESEI - Load Connection Procedure; Receptacle and Terminal Connections

Denyo DCA-70ESEI
56 pages
Print Icon
To Next Page IconTo Next Page
To Next Page IconTo Next Page
To Previous Page IconTo Previous Page
To Previous Page IconTo Previous Page
Loading...
- 30 -
3-2-4 Connecting the load
1. Check whether frequency, voltage and current conform with the ratings of the generator.
2. Install for the load cable, without excessive length, and lay it out in a safe way without forming
coils.
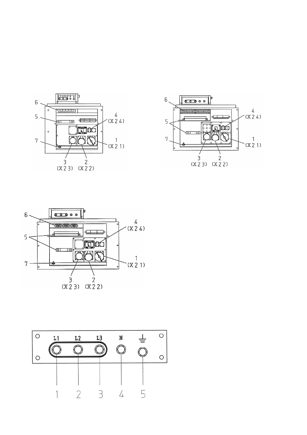
3. In case of single-phase load, engage the specified plugs with the specified receptacles (Fig. 8).
70ESEI 125ESEI
1. Three phase output receptacle (125A)
2. Three phase output receptacle (63A)
3. Three phase output receptacle (32A)
4. Single phase output receptacle (16A)
5. Cable clamp
6. Rubber cover
7. PE earthing terminal
180ESEI Fig. 8
1. Output terminal L1
2. Output terminal L2
3. Output terminal L3
4. Output terminal N
5. External protection conduct
terminal PE
Fig. 9

Table of Contents

Related product manuals