EasyManua.ls Logo

Depa DH15-FA - Pulsation Damper with Diaphragm Breakage Monitoring; Active Pulsation Damper with DEPA Nopped E4 Compound Diaphragm

Default Icon
56 pages
Print Icon
To Next Page IconTo Next Page
To Next Page IconTo Next Page
To Previous Page IconTo Previous Page
To Previous Page IconTo Previous Page
Loading...
36
DEPA
®
Air Operated Diaphragm Pumps
Sketch 3
Air
supply
Inlet Outlet
Sketch 4
Always mount the
diaphragm breakage
monitoring downwards.
Attention: If the operating conditions such
as delivery pressure or product viscosity
change, the driving pressure of the pulsation
damper may need to be adjusted.
One must always make sure that the weight
of the pulsation damper is supported as
showninsketch1andanyloadistakeno
the pump connection.
If the pulsation damper is directly mounted
tothepressuresocketofthepump,aexible
connection (e.g. compensator) should be
considered to connect to the onwards pipe-
line.
7.3 Pulsation damper with
diaphragm breakage monitoring
Pulsation dampers equipped with a dia-
phragm monitoring system in the air cham-
ber must not be installed horizontally, they
must be vertically installed as otherwise the
function of the diaphragm monitoring system
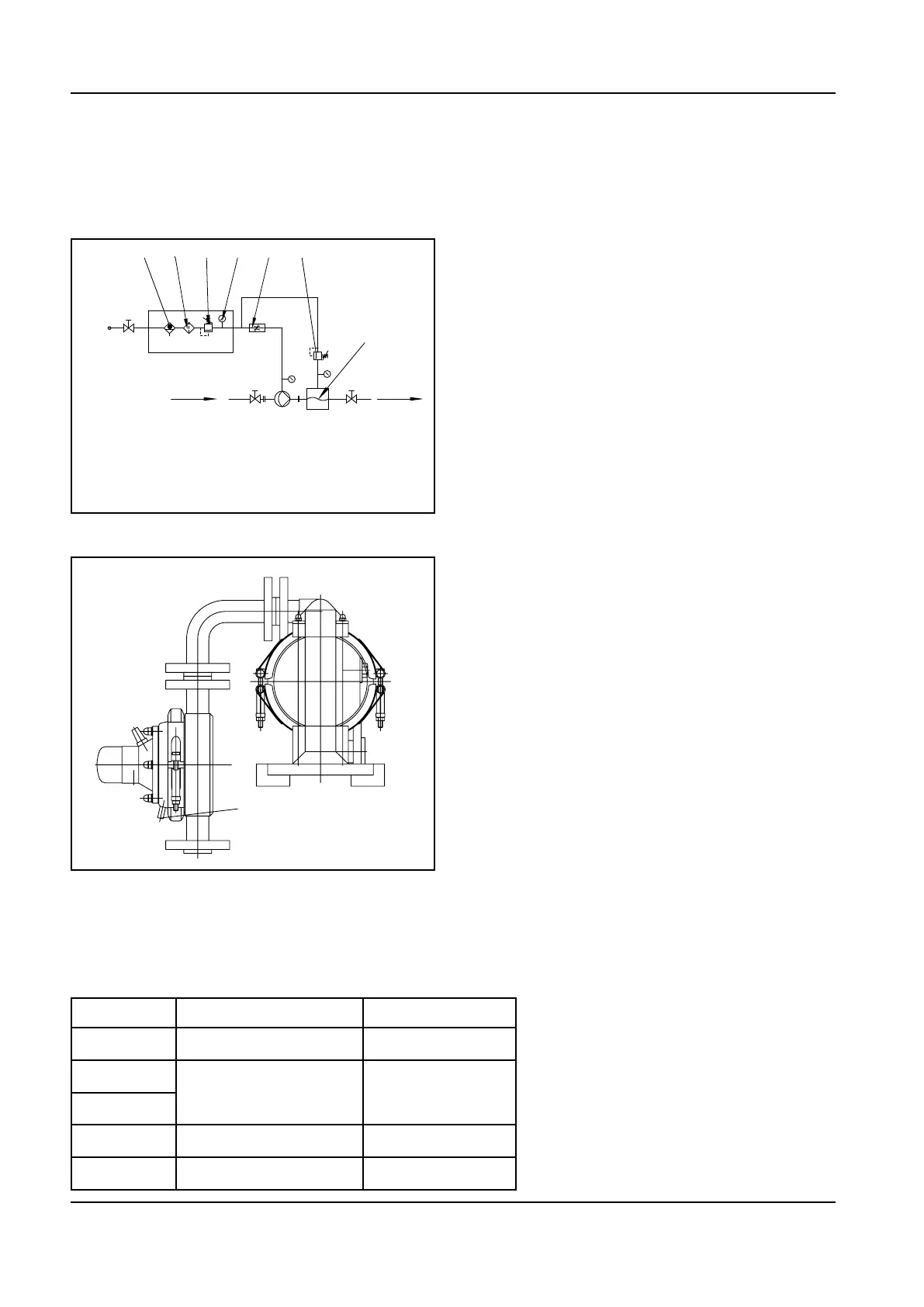
is not assured (see sketch 4).
7.4 Active pulsation damper with
DEPA nopped E4 compound
diaphragm
The DEPA nopped E4
®
compound dia-
phragm can also be installed in all active
DEPA pulsation dampers.
The same requirements as outlined in sec-
tion 5.3.1.3 (page 27 and Fig. 14, page 28)
apply. However, it should be noted that dif-
ferent setscrews must be used for the pul-
sation damper (see table 4). In the case of
PD50/80, in contrast to the pump the switch-
ing disc is installed 180° rotated (counter-
bore points towards the diaphragms).
1
2
3 4
5
6
3
7
7
1 Water-separator
2 Filter
3 Pressure reducer
4 Pressure gauge
5 Needle valve
6 active Pulsation
dampener
7 Suction and pressure
side valves
Table 4
Pump size Item No. Setscrew Dimensions
PD15 910003611
M5 x 20
PD25
910003311
M12 x 25
PD40
PD50 910003711
M12 x 50
PD80 910002711
M20 x 70

Table of Contents

Related product manuals