EasyManua.ls Logo

Depa DH15-FA - Page 49

Default Icon
56 pages
Print Icon
To Next Page IconTo Next Page
To Next Page IconTo Next Page
To Previous Page IconTo Previous Page
To Previous Page IconTo Previous Page
Loading...
49
DEPA
®
Air Operated Diaphragm Pumps
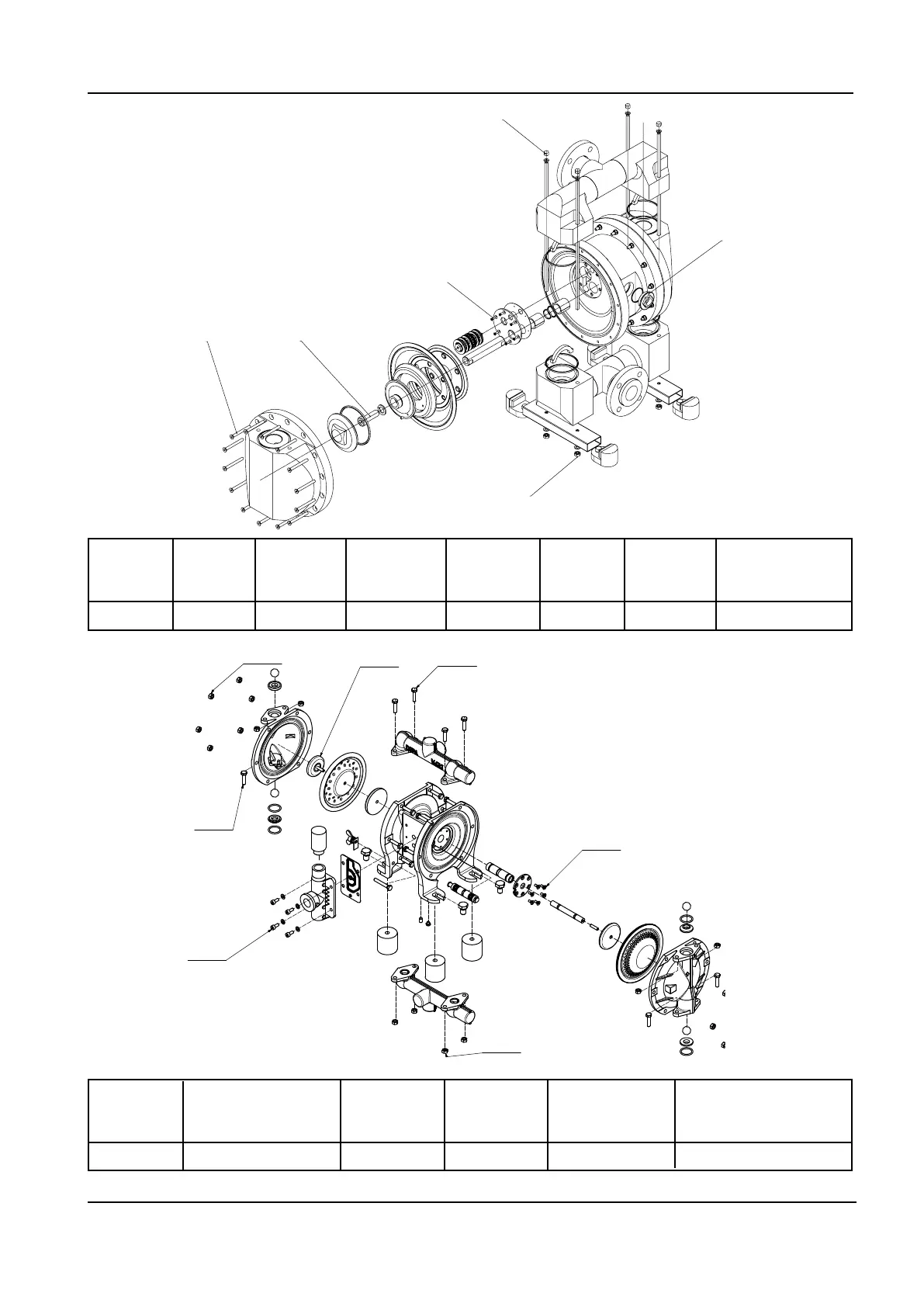
Pos. 7
Pos. 4
Pos. 6
Pos. 2
Pos. 1
Pos. 1
Tightening torques series P, Typ DH,
size 50
Pump size Annchor Air inlet Air valve One piece Piston Centre block Pump chamber/
rod diaphragm cover Centre block
Pos. 1 Pos. 2 Pos. 3 Pos. 4 Pos. 4 Pos. 6 Pos. 7
DH50-P 35 Nm 85 Nm 8 Nm - 150 Nm 5,5 Nm 12 Nm
Tightening torques series M,
Type DH-FA /SA/SS
Size 15
Pump size Suction / Discharge External Piston rod Centre block Pump chamber
manifold air valve cover
Pos. 1 Pos. 3 Pos. 4 Pos. 6 Pos. 7
DH15-FA 9 Nm 8 Nm 6 Nm 3 Nm 9 Nm
R
Pos. 1
Pos. 6
Pos. 7
Pos. 3
Pos. 4
Pos. 7
Pos. 1
Pos. 1

Table of Contents

Related product manuals