EasyManua.ls Logo

Desa and 55 - Wiring Diagrams

Default Icon
14 pages
Print Icon
To Next Page IconTo Next Page
To Next Page IconTo Next Page
To Previous Page IconTo Previous Page
To Previous Page IconTo Previous Page
Loading...
10
102388
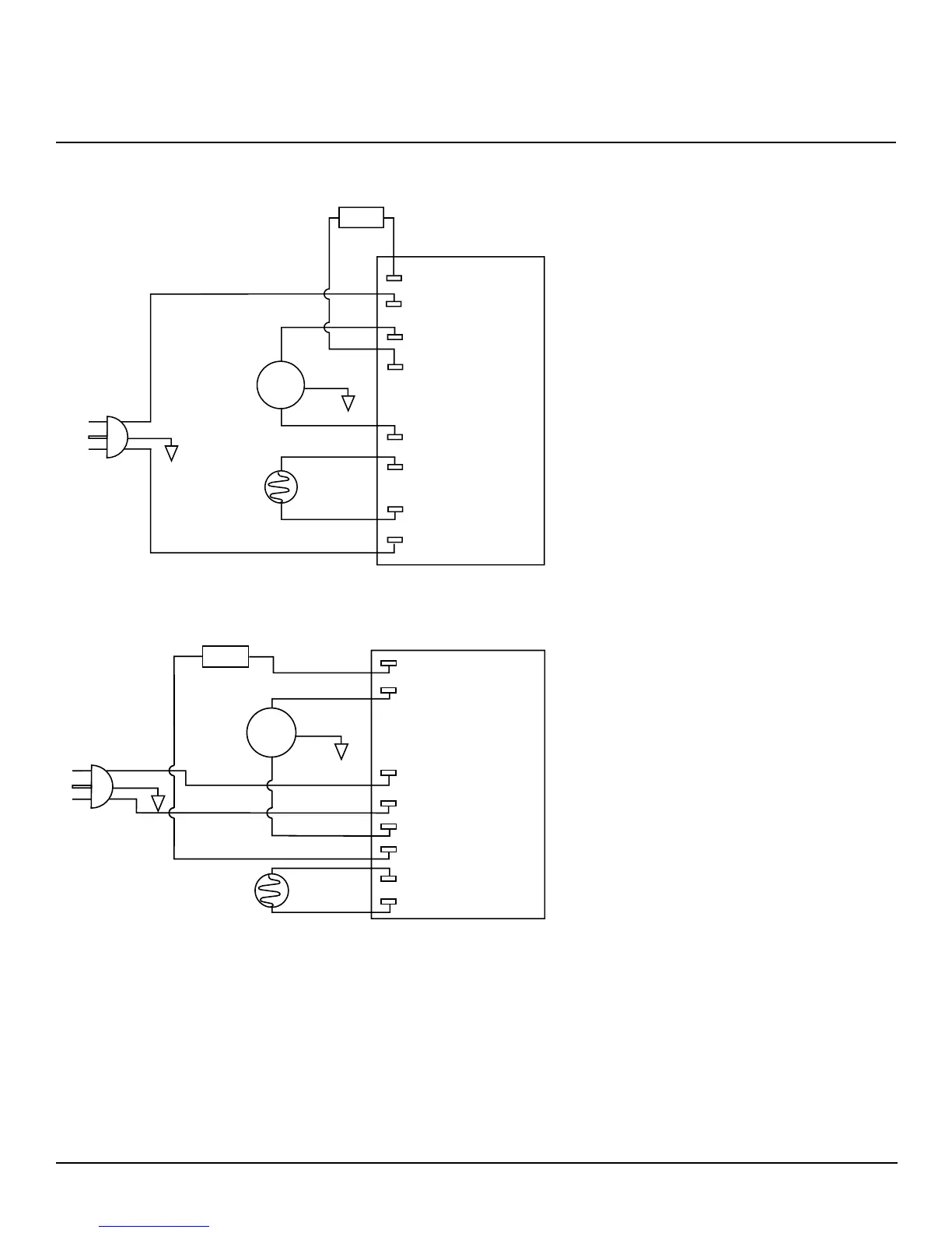
PORTABLE FORCED AIR HEATERS
35,000, 50,000, And 55,000 Btu/Hr H.S.I. Series
Blue
Photocell
Power Plug
120V/60Hz
IGNITOR
Ignitor
Blue
White
Red
Gray
Gray
Green
Motor
White
Black
AC NEUTRAL (L2)
PHOTOCELL
PHOTOCELL
MOTOR RETURN
MOTOR MAIN
120V (L1)
IGNITOR
Ignition Control
Assembly
Green
104040
Blue
Photocell
Power Plug
120V/60Hz
IGNITOR
Ignitor
Blue
White
Red
Gray
Gray
Green
Motor
White
Black
L2 AC NEUTRAL
PHOTOCELL
PHOTOCELL
MOTOR RETURN
MOTOR MAIN
L1 (120V)
IGNITOR
Ignition Control
Assembly
Green
PART# 102350
Figure 17 - Wiring Diagram For Heaters Using 102350-01 Ignition Control Assembly
WIRING DIAGRAMS
Figure 18 - Wiring Diagram For Heaters Using 104040-02 Ignition Control Assembly

Related product manuals