EasyManua.ls Logo

Desa and 55 - Illustrated Parts Breakdown

Default Icon
14 pages
Print Icon
To Next Page IconTo Next Page
To Next Page IconTo Next Page
To Previous Page IconTo Previous Page
To Previous Page IconTo Previous Page
Loading...
12
102388
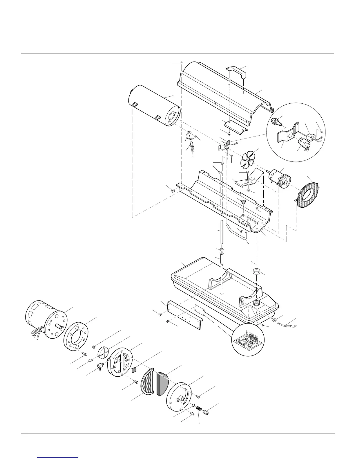
PORTABLE FORCED AIR HEATERS
35,000, 50,000, And 55,000 Btu/Hr H.S.I. Series
1
2
3
4
5
6
7
8
9
10
11
12
13
14
15
16
9-1
9-2
9-3
9-4
9-5
17
18
19
20
21
22
23
24
25
26
27
28
29
30
34
35
36
32
33
31
ILLUSTRATED
PARTS
BREAKDOWN
REM35B
R35D
B50H
REM50C
R55A
REM55A
Motor and Pump Assembly
12-11
12-18
12-17
12-16
12-15
12-14
12-13
12-12
12-10
12-1
12-2
12-3
12-4
12-5
12-6
12-7
12-8
12-9

Related product manuals