EasyManua.ls Logo

Diamondback 1100 ES - 1100 R Assembly Overview

Diamondback 1100 ES
24 pages
Print Icon
To Next Page IconTo Next Page
To Next Page IconTo Next Page
To Previous Page IconTo Previous Page
To Previous Page IconTo Previous Page
Loading...
6
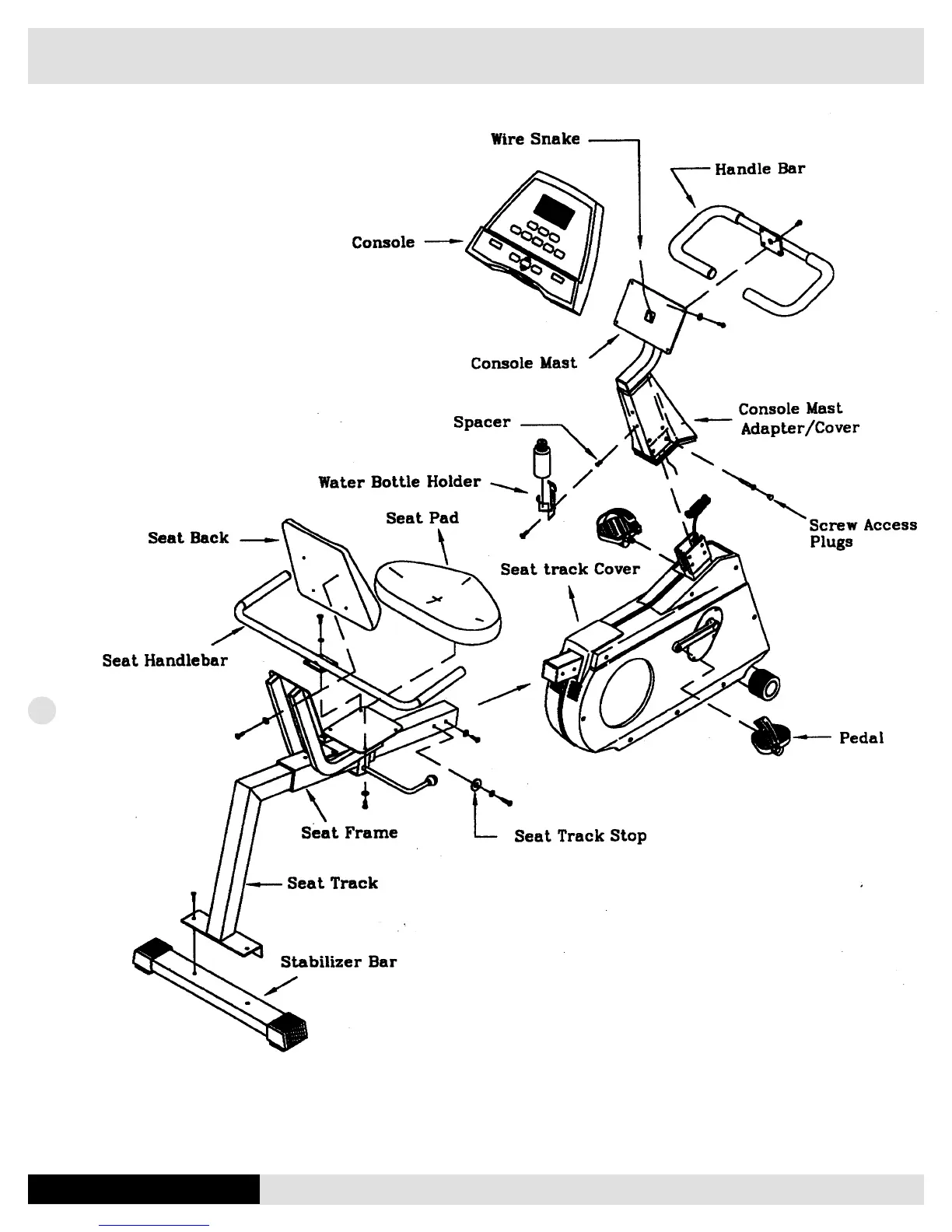
1100R Assembly Drawing

Related product manuals