EasyManua.ls Logo

Dick Smith VZ200 - Page 24

Default Icon
34 pages
Print Icon
To Next Page IconTo Next Page
To Next Page IconTo Next Page
To Previous Page IconTo Previous Page
To Previous Page IconTo Previous Page
Loading...
Af
'
DATE
(to prog
RD RAM s)
LS245
4
2
DRAM
31
.--r• INT
A/G
CSS
-
3 4 —
A/S
b7
t
AS
FS
Aier
CSS
AIS
!KT/ RT
32
O6
'
_L
27
f*cv
2
9
11
10
A..),
18
VIDEO
OUT
2
4
3
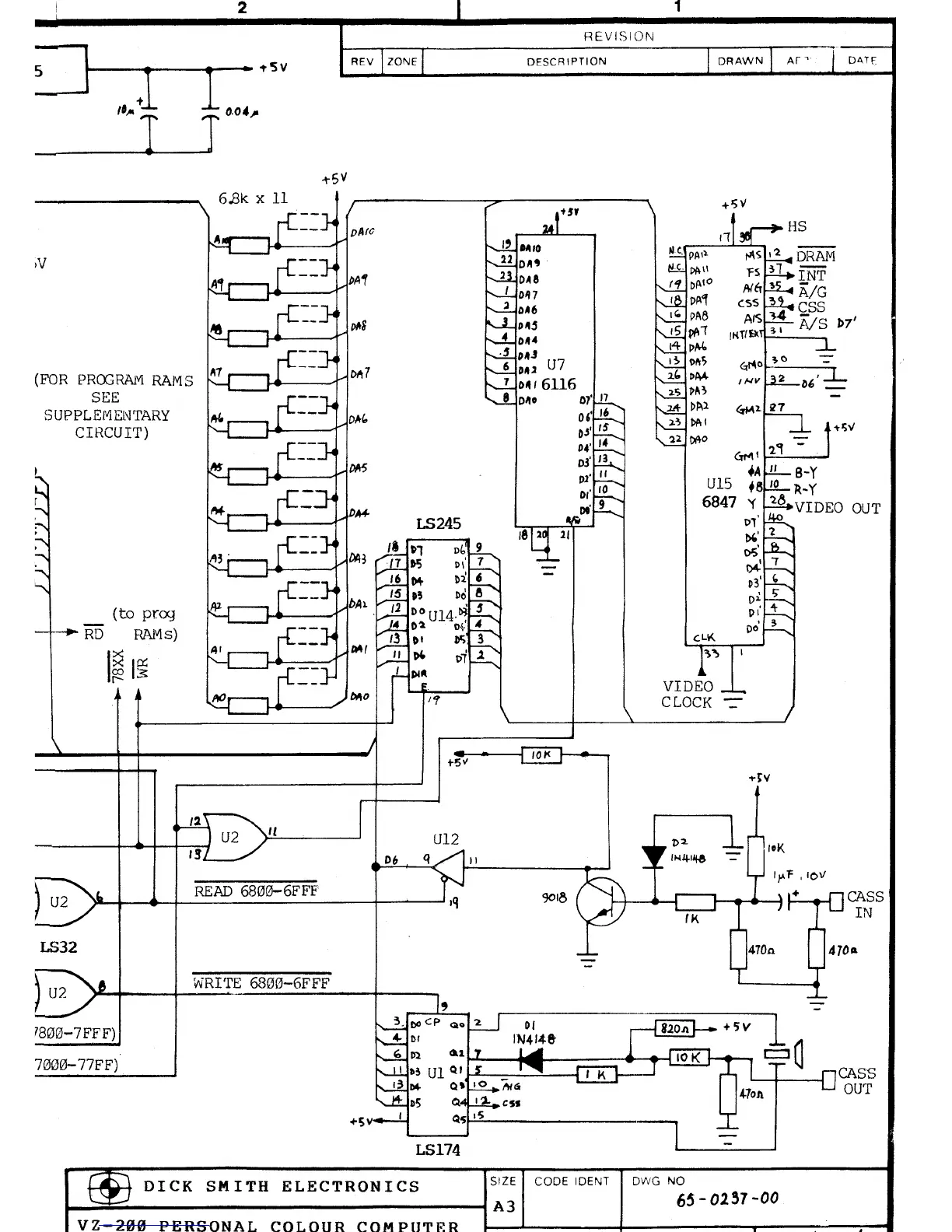
(FOR PROGRAM RAMS
SEE
SUPPLEMENTARY
CIRCUIT)
F
N
.
820•11—
+ 5
V
10K
1:=3
Pon
fl
CASS
IN
4700
CASS
OUT
REVISION
REV
ZONE
AO
14 D
(7 IA
t*i•
p3
DO
I
" U14.
02 04
01
DS
D'
DIA
E
iq
DESCR IPTION
0410
DA
,
DA8
017
046
DA5
044
043
0*2
U7
DA 1
6116
coo
07
.
06'
D3
ra'
DO
18120 21
DRAWN
DA
,
'
tt
DA
1
°
DA1
pA8
P8
1
DAb
DA5
pq.4
PA 3
PD1
PA 1
DA°
(*AI
'A
U15 #8
6847 y
DI'
b4:
04!
D3'
Da
D
t
00
.
C
IA
1
I
VIDEO _L
CLOCK 7'7
t5V
24
/
NV
(11.A
1
5
- t 5 V
%
+1
004,6
+s v
3er
--). HS
4
11
%
,--
0
.--1
'OK
It
U12
D6
U2
READ 6800— 6F FF
.
WRITE 6800-6FFF
9018
LS174
) U2)
LS32
U2
7800-7FFF)
7000-77FF)
9
3
Do
CP Q.
1
-
1_1
01
Dr
IN414e
,
D2
4
a
b3
04
oleo
MG
DS
Q 1 CS!
45
15
DICK SMITH ELECTRONICS
CODE IDENT
DWG NO
65 - 0237
-00
SIZE
A3
VZ-200 PERSONAL COLOUR COMPUTER