EasyManua.ls Logo

Dick Smith VZ200 - Page 28

Default Icon
34 pages
Print Icon
To Next Page IconTo Next Page
To Next Page IconTo Next Page
To Previous Page IconTo Previous Page
To Previous Page IconTo Previous Page
Loading...
0
Ik
470p
Isp
UK
HE
20p
.--101
4.43MHz
Mac
15p
REV
ZONE
DESCRIPTION
-L.
+Sp
410A
1401 1)
0.0410
120pF
CHROMA
E.-
OUT
APPD
DATE
DRAWN
100K
0.•
er
,
0.02.
Sip
3900
080p
10ei
(Mifict
(My
ttr)
IS
14
TB/622
13
I
+11V
412
OWN.
BY
SIGNATURE
DATE
DICK SMITH ELECTRONICS
TITLE
CHECK
BY
ENGR
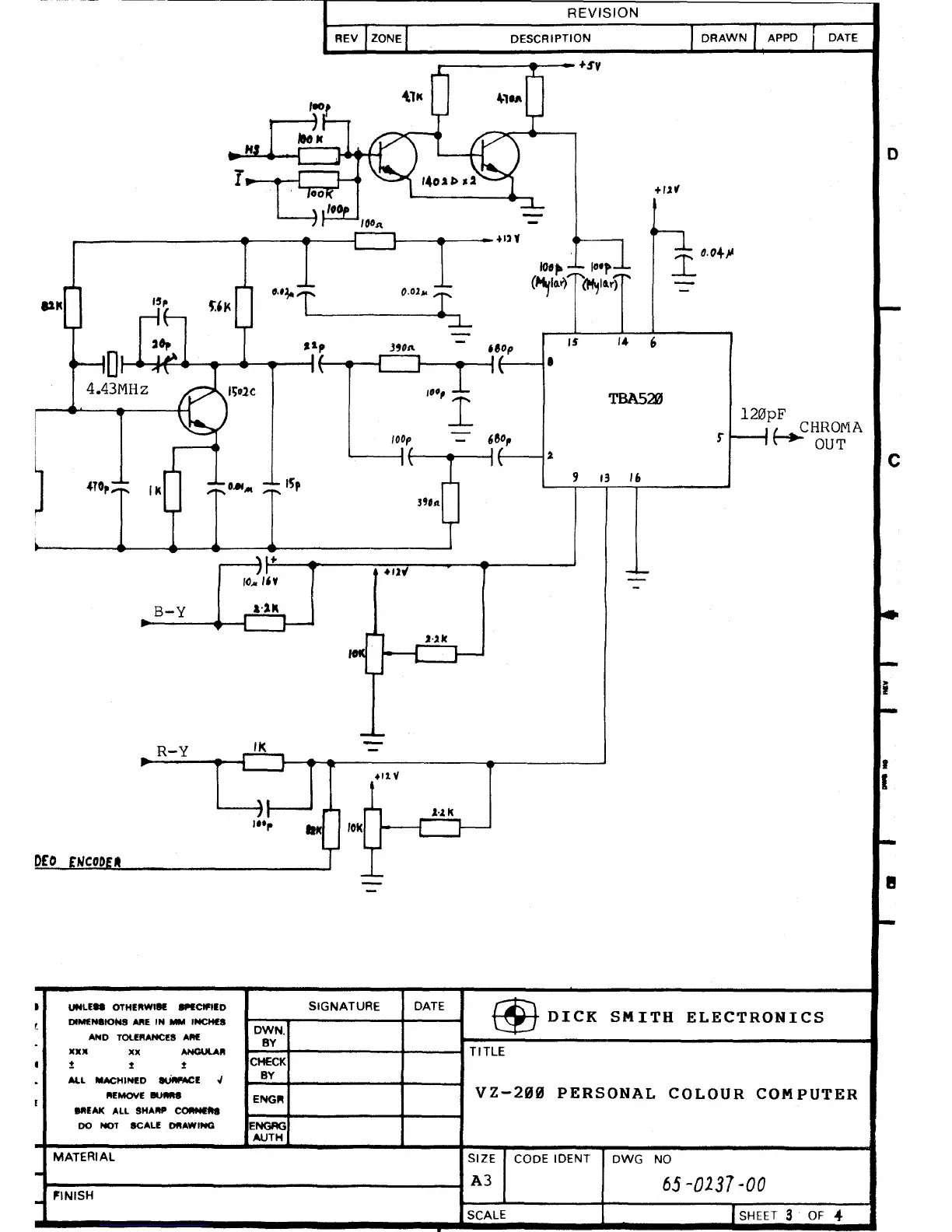
VZ-200 PERSONAL COLOUR COMPUTER
ENGRG
AUTH
SIZE CODE IDENT DWG NO
A3
65-0237-00
SCALE
I
SHEET
3
OF
4
REVISION
390a
liv
B—Y
2.2k
H-
R—Y
1K
I
I
411
V
2.2K
I
OSp
10K
DEO
ENCODER
T
I
a
UNLESS OTHERWISE SPECIFIED
DIMENSIONS ARE IN MM INCHES
AND TOLERANCES ARE
xxx
Xx
ANGULAR
ALL MACHINED SURFACE
4
REMOVE BURRS
BREAK ALL SHARP CORNERS
DO NOT SCALE DRAWING
MATERIAL
FINISH