EasyManua.ls Logo

Dick Smith VZ200 - Page 31

Default Icon
34 pages
Print Icon
To Next Page IconTo Next Page
To Next Page IconTo Next Page
To Previous Page IconTo Previous Page
To Previous Page IconTo Previous Page
Loading...
AAA
pi
Lc)
41
—I
f
x <
AAA.
N
4 4 4
U
1<
E
U
INT
E
RNAL P
ROG
RAM
RAM
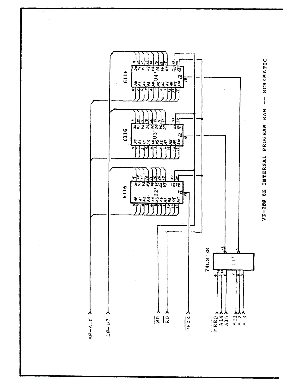
V
Z-
20
0
6K
co
U)
1:
6
Oi
1r,
("it*
A
A
CO
r1
tsz
r
C21
ztx