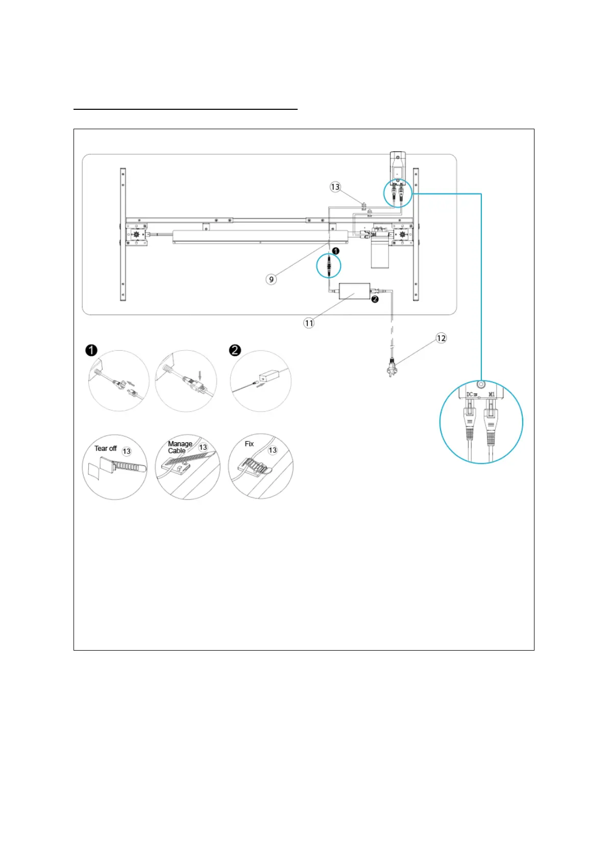
Connect the switch cord ⑨, electric machine line, handset ⑩
and adapter ⑪ as shown in the figure and use the wire tie ⑬ to sort out
the wire after cleaning, fix it. And then fix the adapter ⑪ in the right place
under the tabletop with Velcro. Use the cable tie ⑬ to fix each connection
cable on the tabletop to keep the cable organized.