EasyManua.ls Logo

Dimplex AC3RN - Controls and Wiring Diagrams; Appliance Controls; Electrical Wiring Diagrams

Dimplex AC3RN
19 pages
Print Icon
To Next Page IconTo Next Page
To Next Page IconTo Next Page
To Previous Page IconTo Previous Page
To Previous Page IconTo Previous Page
Loading...
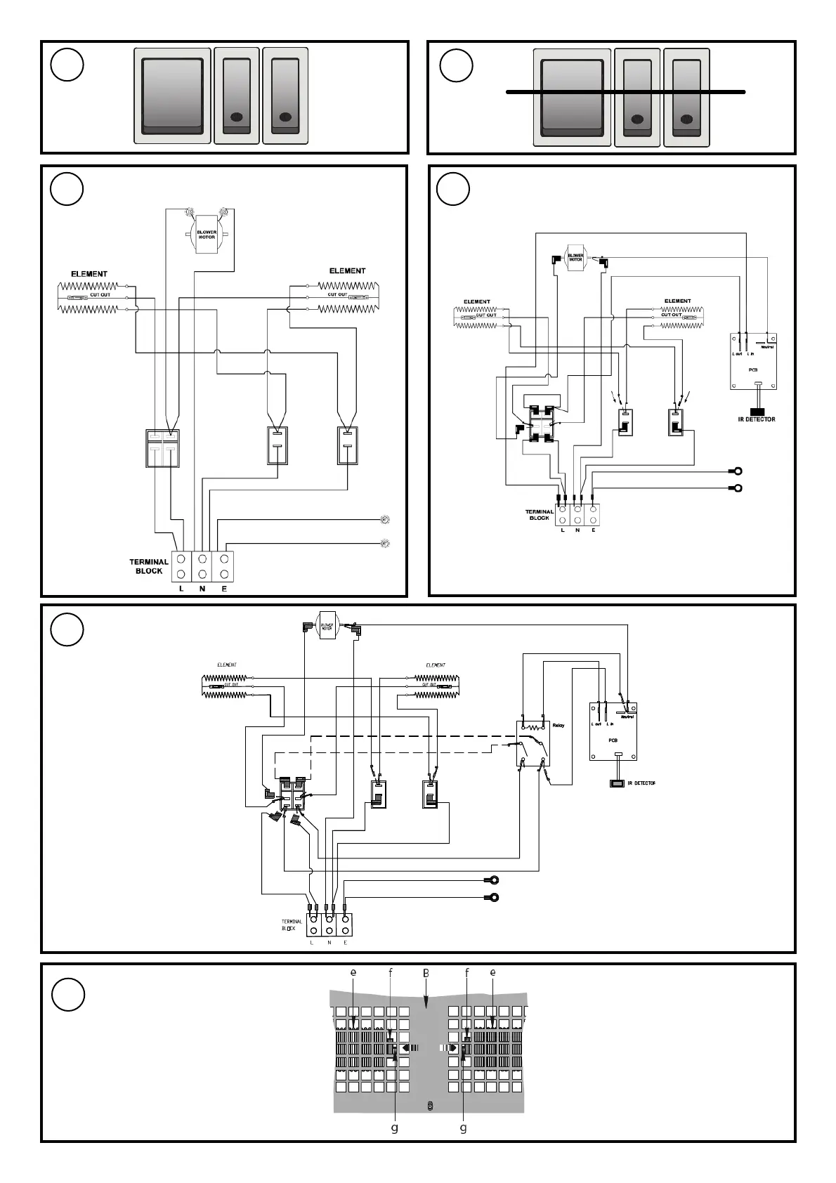
AC3N, AC45N &AC6N
AC3RN
9
10
11 12
AUTO
MAN
14
13
N.v.t.

Other manuals for Dimplex AC3RN

Related product manuals