EasyManua.ls Logo

Dimplex LAW 6IMR - Page 77

Dimplex LAW 6IMR
Print Icon
To Next Page IconTo Next Page
To Next Page IconTo Next Page
To Previous Page IconTo Previous Page
To Previous Page IconTo Previous Page
Loading...
www.dimplex.de 452162.66.04 · FD 9606 A-XIII
Anhang · Appendix · Annexes
LAW 6IMR - LAW 14ITR
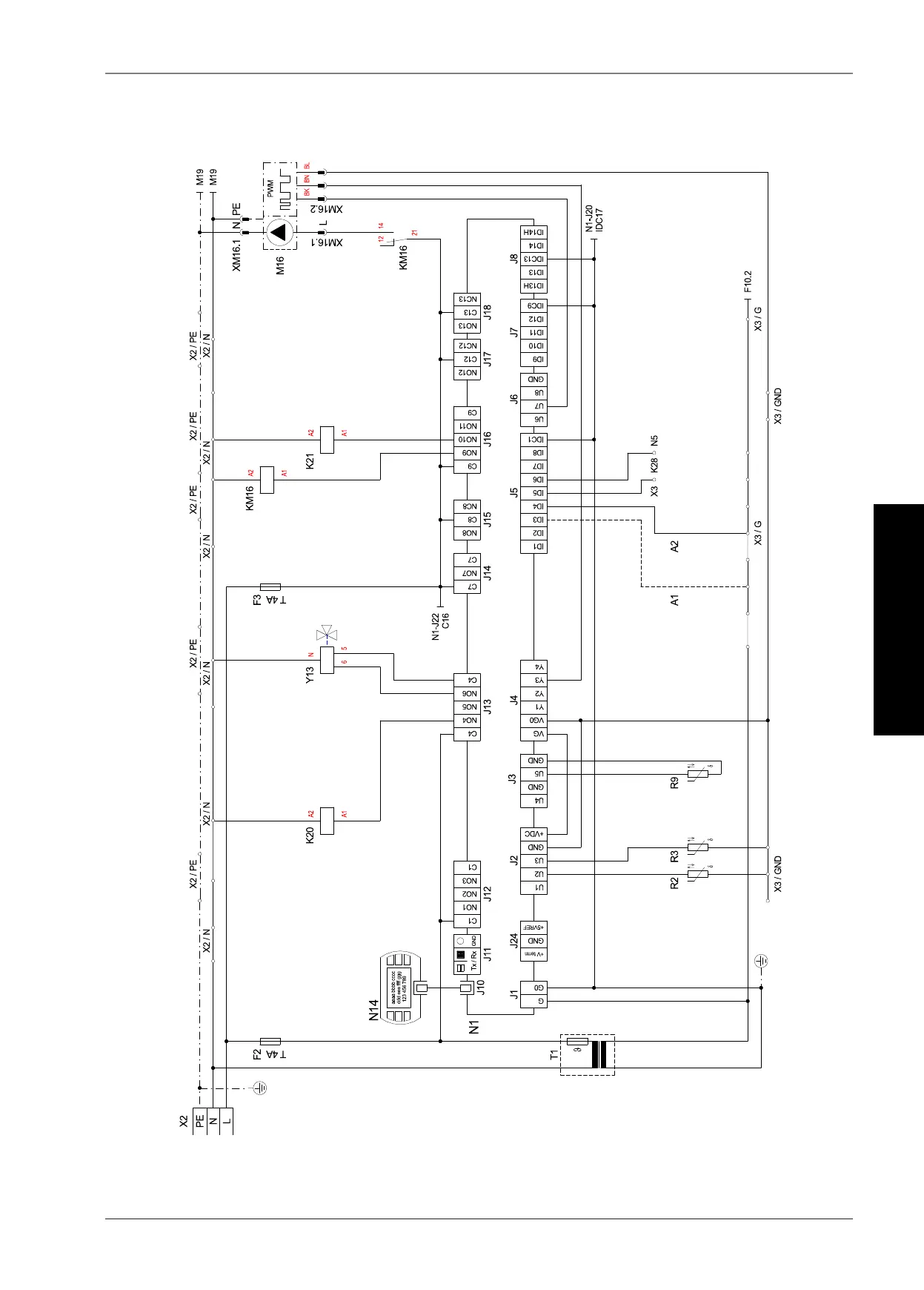
3.6 Steuerung / Control / Commande LAW 14IMR

Table of Contents

Related product manuals