EasyManua.ls Logo

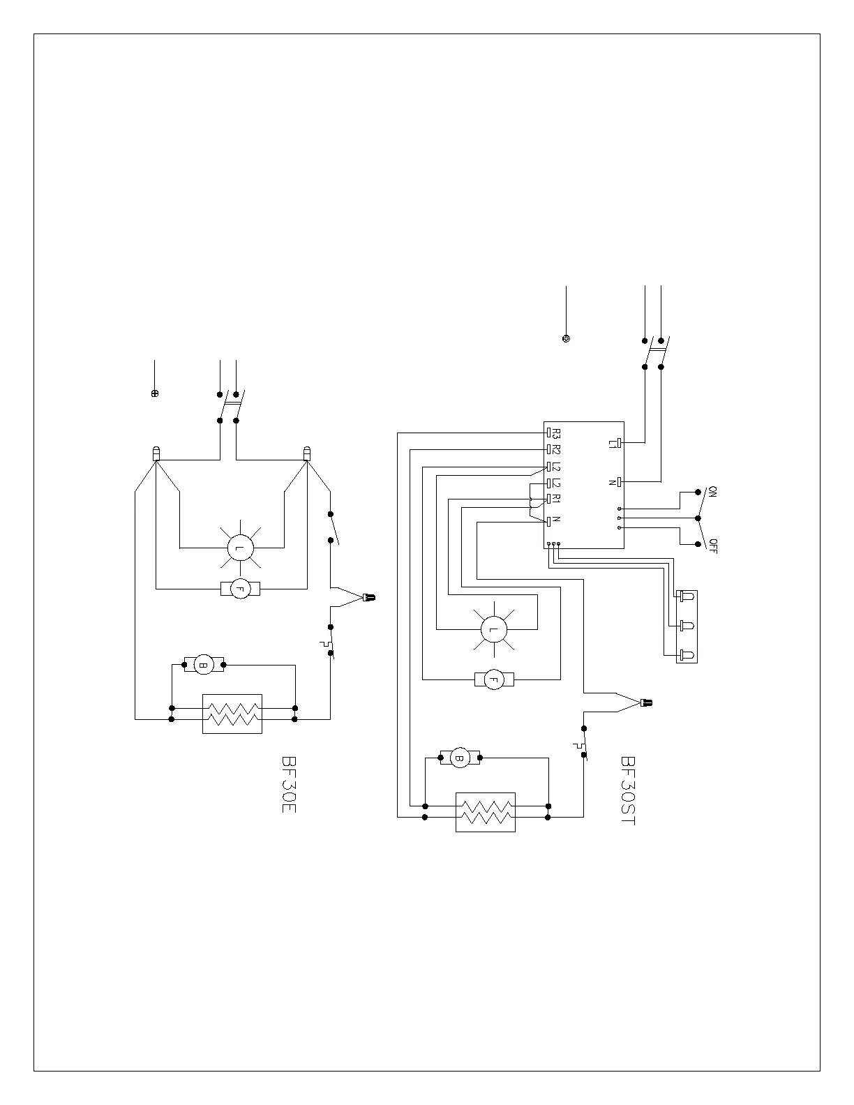
Dimplex OPTIFLAME BF Series - Wiring Diagram

Dimplex OPTIFLAME BF Series
23 pages
Print Icon
To Next Page IconTo Next Page
To Next Page IconTo Next Page
To Previous Page IconTo Previous Page
To Previous Page IconTo Previous Page
Loading...
7
OPTIFLAME ELECTRIC FIREPLACE
WIRING DIAGRAM

Related product manuals