EasyManua.ls Logo

Dimplex QM070 - Circuit Diagram

Dimplex QM070
16 pages
Print Icon
To Previous Page IconTo Previous Page
To Previous Page IconTo Previous Page
Loading...
- 16 -
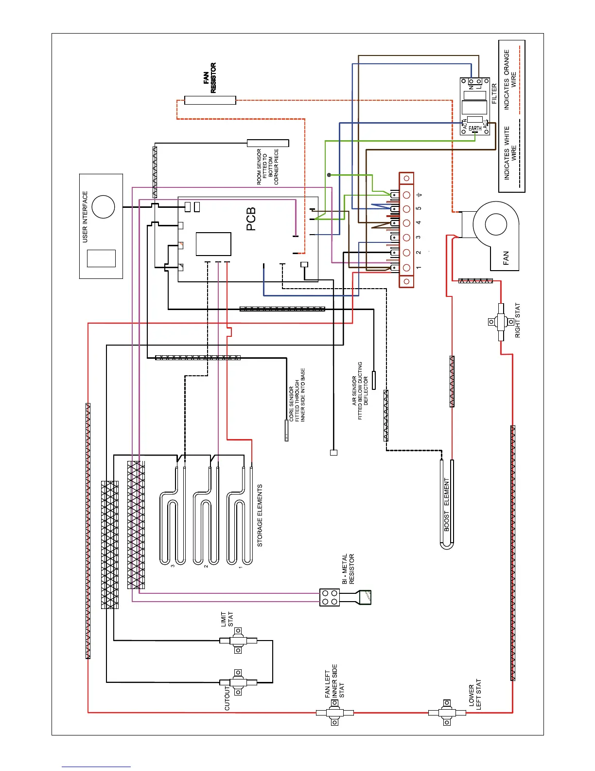
Circuit Diagram
Black
Room
Red
Fan
White
Core
Element
Neutral
No. 3
No. 2
No. 1
User
Interface
Element
Neutral
Boost
Neutral
Fan
Neutral
Bi-metal
Neutral
RF
MODULE
Neutral
Earth
Live
L
N
L
N
Off Peak
Peak
Earth
MANUAL
RE-SET
SERIES D

Other manuals for Dimplex QM070

Related product manuals