EasyManua.ls Logo

Dimplex SIH 6TE - Last; Load; Charge

Dimplex SIH 6TE
22 pages
Print Icon
To Next Page IconTo Next Page
To Next Page IconTo Next Page
To Previous Page IconTo Previous Page
To Previous Page IconTo Previous Page
Loading...
www.dimplex.de A-VII
Anhang · Appendix · Annexes
3.2
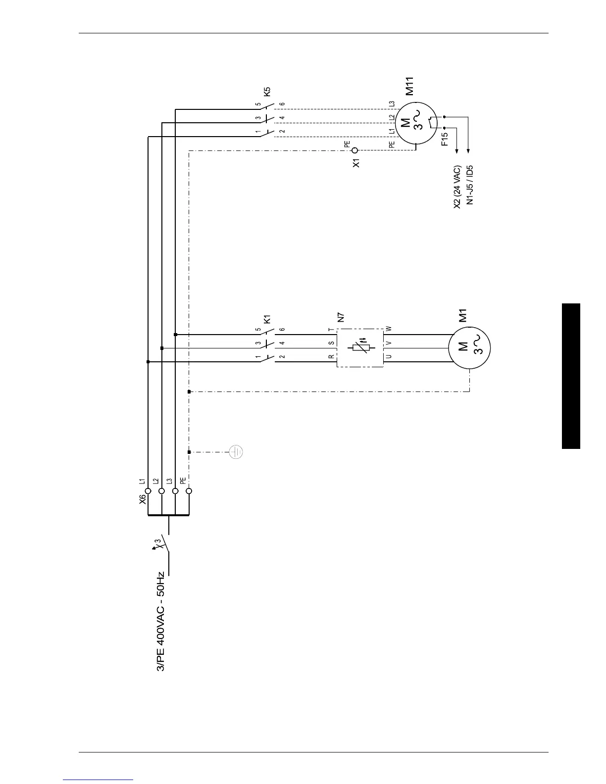
3.2 Last / Load / Charge

Table of Contents

Related product manuals