EasyManua.ls Logo

Dimplex SIH 6TE - 4 Hydraulisches Prinzipschema; Hydraulic Plumbing Diagram; Schéma Hydraulique; Darstellung; Schematic View; Représentation

Dimplex SIH 6TE
22 pages
Print Icon
To Next Page IconTo Next Page
To Next Page IconTo Next Page
To Previous Page IconTo Previous Page
To Previous Page IconTo Previous Page
Loading...
A-X
Anhang · Appendix · Annexes
4
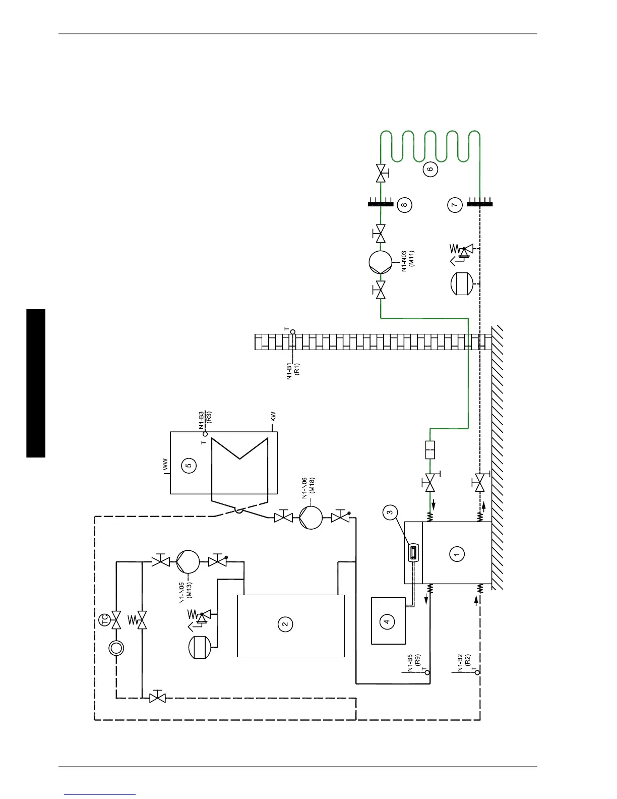
4 Hydraulisches Prinzipschema / Hydraulic Plumbing
Diagram / Schéma hydraulique
4.1 Darstellung / Schematic View / Représentation

Table of Contents

Related product manuals