EasyManua.ls Logo

Dimplex SIK 11 ME - Page 45

Dimplex SIK 11 ME
Print Icon
To Next Page IconTo Next Page
To Next Page IconTo Next Page
To Previous Page IconTo Previous Page
To Previous Page IconTo Previous Page
Loading...
www.dimplex.de 452231.66.11 · FD 9208 A-VII
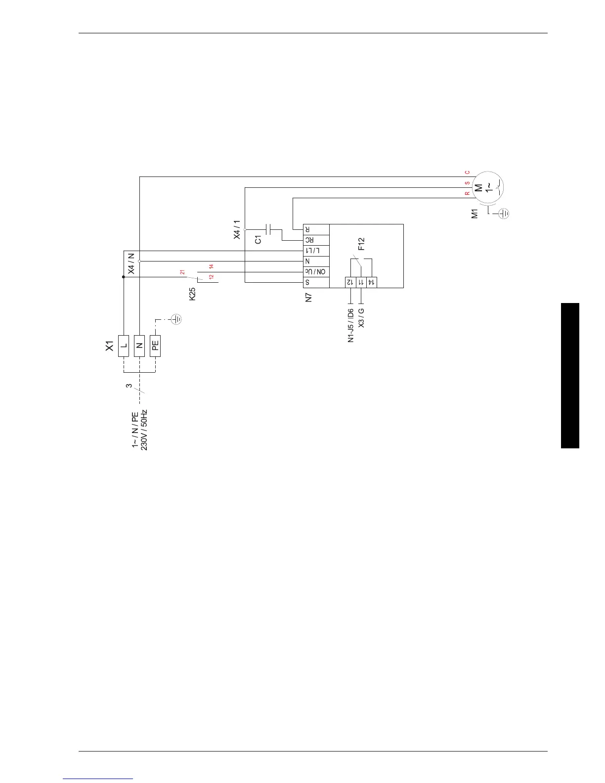
Anhang · Appendix · Annexes
SIK 11ME - SIK 16ME
3.2 Last / Load / Charge

Table of Contents

Other manuals for Dimplex SIK 11 ME

Related product manuals