EasyManua.ls Logo

Dimplex SIK 11 ME - Hydraulisches Einbindungsschema; Hydraulic Integration Diagram; Schéma Dintégration Hydraulique

Dimplex SIK 11 ME
Print Icon
To Next Page IconTo Next Page
To Next Page IconTo Next Page
To Previous Page IconTo Previous Page
To Previous Page IconTo Previous Page
Loading...
www.dimplex.de 452231.66.11 · FD 9208 A-XI
Anhang · Appendix · Annexes
SIK 11ME - SIK 16ME
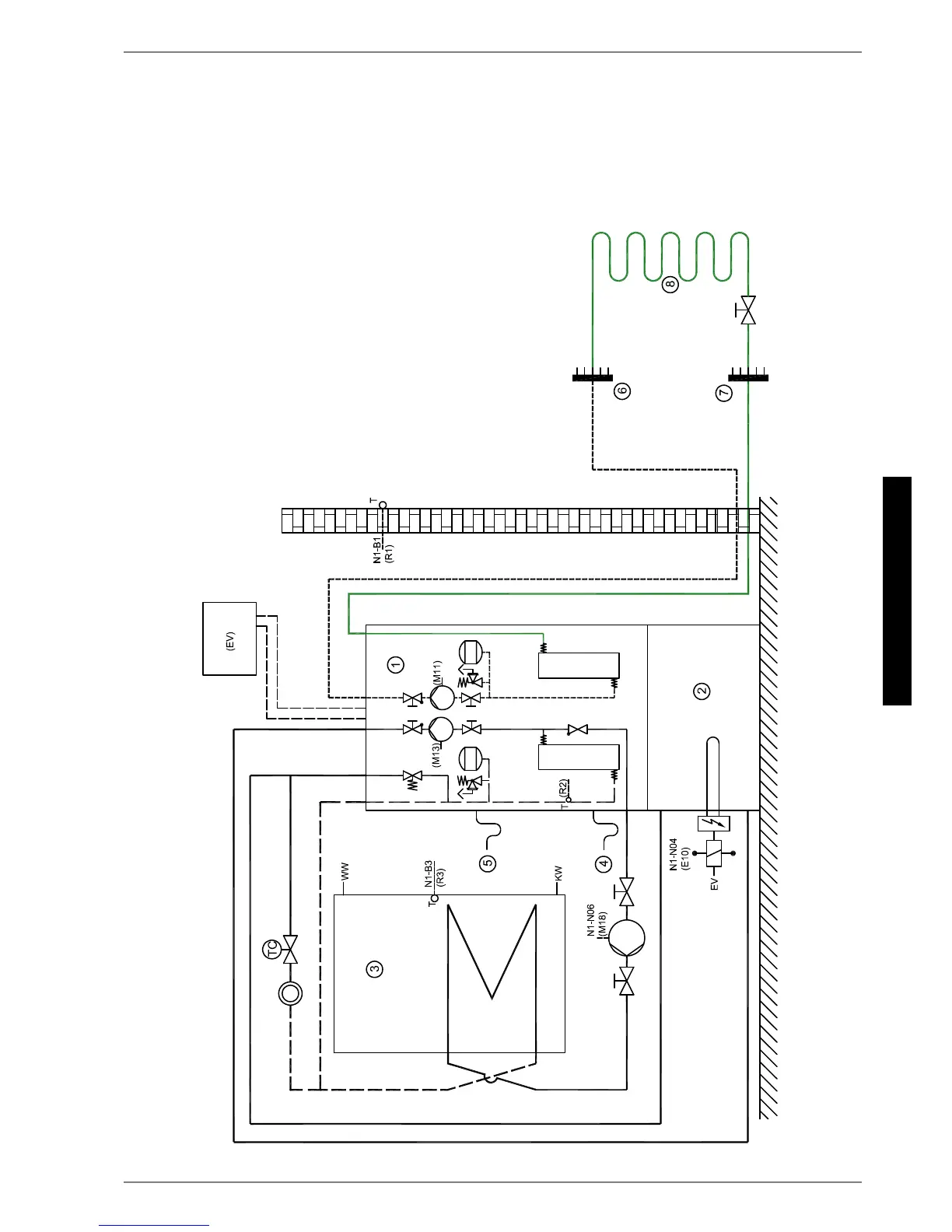
4 Hydraulisches Einbindungsschema / Hydraulic
integration diagram /
Schéma d’intégration hydraulique
4.1 Darstellung / Schematic View / Représentation

Table of Contents

Other manuals for Dimplex SIK 11 ME

Related product manuals