EasyManua.ls Logo

Dimplex SIK 11 ME - Page 46

Dimplex SIK 11 ME
Print Icon
To Next Page IconTo Next Page
To Next Page IconTo Next Page
To Previous Page IconTo Previous Page
To Previous Page IconTo Previous Page
Loading...
A-VIII 452231.66.11 · FD 9208 www.dimplex.de
Anhang · Appendix · Annexes
SIK 11ME - SIK 16ME
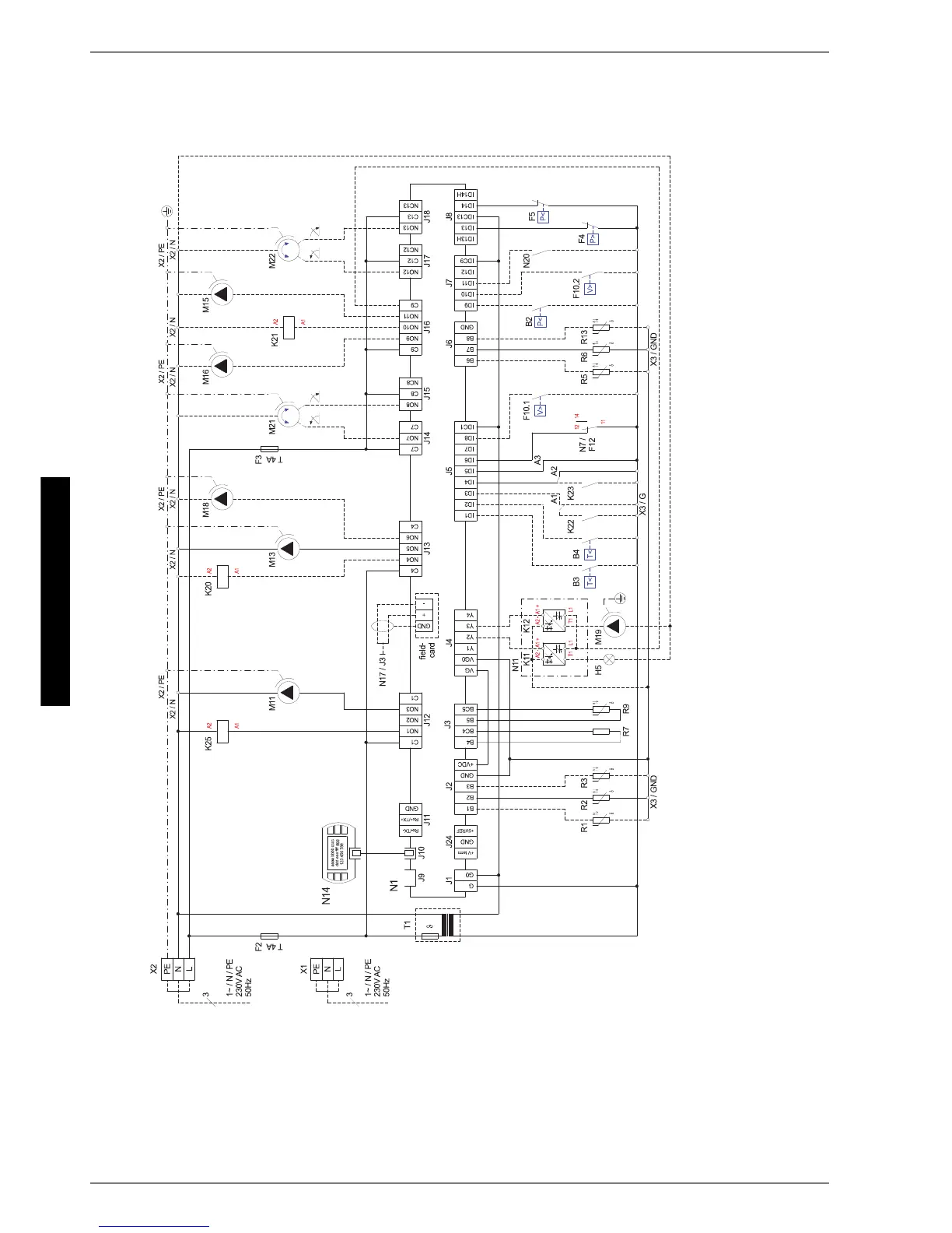
3.3 Anschlussplan / Circuit Diagram / Schéma électrique

Table of Contents

Other manuals for Dimplex SIK 11 ME

Related product manuals