EasyManua.ls Logo

Dimplex XLE050 - Circuit Diagram

Dimplex XLE050
40 pages
Print Icon
To Next Page IconTo Next Page
To Next Page IconTo Next Page
To Previous Page IconTo Previous Page
To Previous Page IconTo Previous Page
Loading...
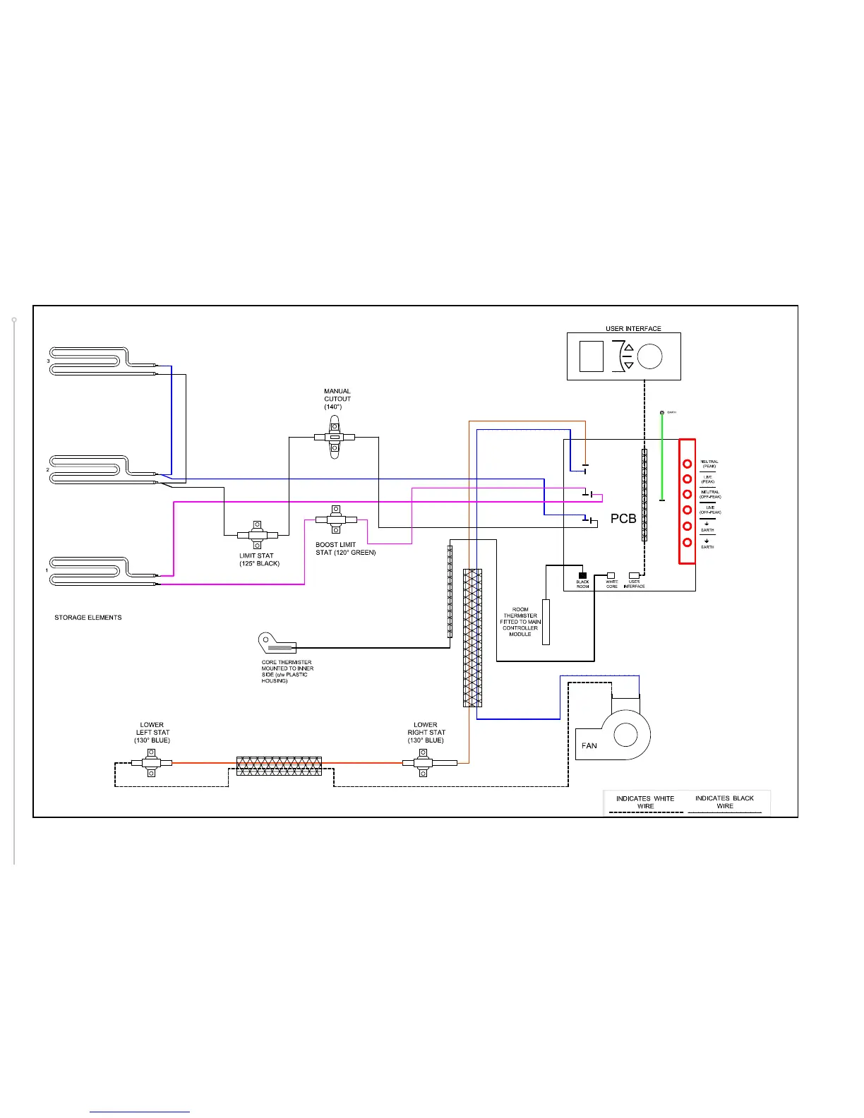
Circuit•Diagram
XLE•Series•A
38

Other manuals for Dimplex XLE050

Related product manuals